Запчасти Komatsu WA470-6 ГИДР. БАК. (ЭЛЕМЕНТ И САПУН)(№8-) ГИДРАВЛИКА

Схема запчастей Komatsu WA470-6 - ГИДР. БАК. (ЭЛЕМЕНТ И САПУН)(№8-) ГИДРАВЛИКА
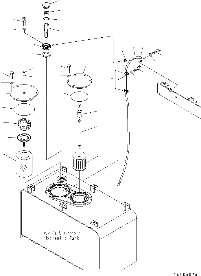
1
2
3
4
5
6
7
8
9
10
11
12
13
14
15
16
17
18
19
20
21
22
23
24
25
26
26
27
28
29
30
31
32
FIT
1:1
100%

Артикул

Название

Примечание

Количество

1

01010-81230

BOLT

SN: 85001-UP

6шт.

2

01643-31232

WASHER

SN: 85001-UP

6шт.

3

424-60-15150

PLUG

SN: 85001-UP

1шт.

4

07000-12010

O-RING

SN: 85001-UP

1шт.

5

421-60-45190

COVER

SN: 85001-UP

1шт.

6

07000-15195

O-RING

SN: 85001-UP

1шт.

7

20Y-60-21240

SPRING

SN: 85001-UP

1шт.

8

20Y-60-31131

VALVE ASS'Y

SN: 85001-UP

1шт.

9

207-60-71182

ELEMENT

SN: 90091-UP

1шт.

9

0

ELEMENT

SN: 85001-90090

1шт.

10

207-60-71131

COVER

SN: 85001-UP

1шт.

11

07000-15160

O-RING

SN: 85001-UP

1шт.

12

01010-81230

BOLT

SN: 85001-UP

6шт.

13

01643-31232

WASHER

SN: 85001-UP

6шт.

|$32

421-60-45150

STRAINER ASS'Y

SN: 85001-UP

1шт.

14

22B-60-11160

STRAINER

SN: 85001-UP

1шт.

15

421-60-45160

ROD ASS'Y

SN: 85001-UP

1шт.

16

12R-60-11230

SPRING

SN: 85001-UP

1шт.

17

20Y-60-21320

HOLDER

SN: 85001-UP

1шт.

18

423-60-35421

BREATHER

SN: 85001-UP

1шт.

19

423-60-35460

ELEMENT

SN: 85001-UP

1шт.

20

423-60-35430

FILLER

SN: 85001-UP

1шт.

21

20Y-60-21340

GASKET

SN: 85001-UP

1шт.

22

01252-70516

BOLT

SN: 85001-UP

6шт.

23

01601-20513

WASHER

SN: 85001-UP

6шт.

24

11Y-09-11120

CLIP

SN: 85001-UP

1шт.

25

07270-40817

TUBE

SN: 85001-UP

1шт.

26

04434-51312

CLIP

SN: 85001-UP

3шт.

27

01010-81020

BOLT

SN: 85001-UP

1шт.

28

01643-31032

WASHER

SN: 85001-UP

1шт.

29

01010-81225

BOLT

SN: 85001-UP

2шт.

30

01643-31232

WASHER

SN: 85001-UP

2шт.

31

07056-10045

STRAINER

SN: 85001-UP

1шт.

32

04065-04718

RING

SN: 85001-UP

1шт.

Выбрано товаров: 34