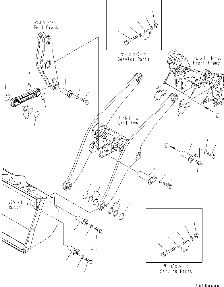
Запчасти Komatsu WA470-6 РУКОЯТЬ И BELL CRANK (ЭЛЕМЕНТЫ КРЕПЛЕНИЯ) (ДЛЯ 3-Х СЕКЦИОНН. КЛАПАН) (ДЛЯ АВТОМАТИЧ. СМАЗ.) (ДЛЯ УДАЛЕННАЯ СМАЗКА)(№8-9) РАБОЧЕЕ ОБОРУДОВАНИЕ

Схема запчастей Komatsu WA470-6 - РУКОЯТЬ И BELL CRANK (ЭЛЕМЕНТЫ КРЕПЛЕНИЯ) (ДЛЯ 3-Х СЕКЦИОНН. КЛАПАН) (ДЛЯ АВТОМАТИЧ. СМАЗ.) (ДЛЯ УДАЛЕННАЯ СМАЗКА)(№8-9) РАБОЧЕЕ ОБОРУДОВАНИЕ
1
2
2
3
4
5
6
6
7
7
8
9
10
11
11
12
13
14
15
16
17
18
19
20
21
21
21
21
22
23
24
25
25
26
26
27
27
FIT
1:1
100%

Артикул

Название

Примечание

Количество

1

421-70-31950

PIN

SN: 85001-@

2шт.

2

421-70-11471

SHIM, 1.5MM

SN: 85001-@

2шт.

2

421-70-11481

SHIM, 3.0MM

SN: 85001-@

2шт.

2

421-70-11331

SHIM, 1.0MM

SN: 85001-@

2шт.

3

01010-81630

BOLT

SN: 85001-@

2шт.

4

421-70-11280

WASHER

SN: 85001-@

2шт.

5

421-70-41910

PIN

SN: 85001-@

2шт.

6

421-70-00110

SHIM ASS'Y

SN: 85001-@

1шт.

6

0

SHIM, 1.5MM

SN: 85001-@

4шт.

6

0

SHIM, 3.0MM

SN: 85001-@

2шт.

7

0

O-RING

SN: 85001-@

4шт.

8

421-70-11410

O-RING,(SERVICE PARTS)

SN: 85001-@

4шт.

9

236-46-13620

BOLT,(SERVICE PARTS)

SN: 85001-@

4шт.

10

01596-00606

NUT,(SERVICE PARTS)

SN: 85001-@

4шт.

11

01641-20608

WASHER,(SERVICE PARTS)

SN: 85001-@

8шт.

12

01010-81630

BOLT

SN: 85001-@

2шт.

13

421-70-11280

WASHER

SN: 85001-@

2шт.

14

07020-00000

FITTING,GREASE

SN: 85001-@

2шт.

15

421-70-11961

PIN

SN: 85001-90145

1шт.

16

01010-81630

BOLT

SN: 85001-90145

1шт.

17

421-70-11280

WASHER

SN: 85001-90145

1шт.

18

421-70-41920

PIN

SN: 85001-90145

1шт.

19

421-70-41920

PIN

SN: 85001-90145

2шт.

20

421-70-00110

SHIM ASS'Y

SN: 85001-90145

1шт.

20

0

SHIM, 1.5MM

SN: 85001-90145

2шт.

20

0

SHIM, 3.0MM

SN: 85001-90145

1шт.

21

0

O-RING

SN: 85001-90145

4шт.

22

421-70-11410

O-RING,(SERVICE PARTS)

SN: 85001-@

4шт.

23

236-46-13620

BOLT,(SERVICE PARTS)

SN: 85001-@

4шт.

24

01596-00606

NUT,(SERVICE PARTS)

SN: 85001-@

4шт.

25

01641-20608

WASHER,(SERVICE PARTS)

SN: 85001-@

8шт.

26

01010-81630

BOLT

SN: 85001-90145

2шт.

27

421-70-11280

WASHER

SN: 85001-90145

2шт.

Выбрано товаров: 33