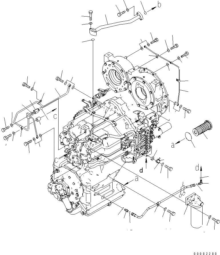
Запчасти Komatsu WA470-6 ТРАНСМИССИЯ (ТРУБЫ)(№9-) СИЛОВАЯ ПЕРЕДАЧА

Схема запчастей Komatsu WA470-6 - ТРАНСМИССИЯ (ТРУБЫ)(№9-) СИЛОВАЯ ПЕРЕДАЧА
1
2
3
4
5
6
7
8
8
9
10
11
12
13
14
15
16
17
18
19
19
19
20
20
20
20
21
21
22
23
24
25
26
26
27
28
28
28
29
29
30
31
32
33
34
35
36
37
38
39
40
41
42
43
44
45
FIT
1:1
100%

Артикул

Название

Примечание

Количество

|$2

714-07-40000

TRANSMISSION ASS'Y

SN: 90001-UP

1шт.

|$$2

THIS ASSEMBLY CONSISTS OF ALL PARTS SHOWN IN FIGS.F4350-51A0A TO F4350-65A0A AND F4350-66A0 TO F4350-70A0.

-1шт.

|$4

714-07-40010

TRANSMISSION ASS'Y,(WITH LOCK-UP)

SN: 90001-UP

1шт.

|$$4

THIS ASSEMBLY CONSISTS OF ALL PARTS SHOWN IN FIGS.F4350-51A1A TO F4350-65A0A AND F4350-66A0 TO F4350-70A0.

-1шт.

1

56D-15-19311

STRAINER

SN: 90001-UP

1шт.

2

07000-75085

O-RING (K1)

SN: 90001-UP

1шт.

3

714-07-48700

FILTER ASS'Y

SN: 90001-UP

1шт.

3

714-07-28712

CARTRIDGE

SN: 90001-UP

1шт.

4

07000-73035

O-RING (K1)

SN: 90001-UP

2шт.

5

01010-81040

BOLT

SN: 90001-UP

5шт.

6

01643-31032

WASHER

SN: 90001-UP

5шт.

7

714-07-48511

TUBE

SN: 90001-UP

1шт.

8

07000-73028

O-RING (K1)

SN: 90001-UP

2шт.

9

01010-81040

BOLT

SN: 90001-UP

2шт.

10

01643-31032

WASHER

SN: 90001-UP

2шт.

11

01010-81060

BOLT

SN: 90001-UP

2шт.

12

01643-31032

WASHER

SN: 90001-UP

2шт.

13

01010-81030

BOLT

SN: 90001-UP

1шт.

14

01643-31032

WASHER

SN: 90001-UP

1шт.

15

560-43-15220

WASHER

SN: 90001-UP

1шт.

16

04434-51610

CLIP

SN: 90001-UP

1шт.

17

07095-20211

CUSHION

SN: 90001-UP

1шт.

18

714-07-48521

TUBE

SN: 90001-UP

1шт.

19

07206-30710

BOLT

SN: 90001-UP

3шт.

20

07005-01012

SEAL, WASHER (K1)

SN: 90001-UP

6шт.

21

04434-50610

CLIP

SN: 90001-UP

2шт.

22

01010-81020

BOLT

SN: 90001-UP

2шт.

23

01643-31032

WASHER

SN: 90001-UP

2шт.

24

714-07-48530

TUBE

SN: 90001-UP

1шт.

25

07206-30812

BOLT

SN: 90001-UP

1шт.

26

07206-31216

BOLT

SN: 90001-UP

2шт.

27

07005-01212

SEAL, WASHER (K1)

SN: 90001-UP

2шт.

28

07005-01612

SEAL, WASHER (K1)

SN: 90001-UP

4шт.

29

04434-51212

CLIP

SN: 90001-UP

2шт.

30

01010-81020

BOLT

SN: 90001-UP

1шт.

31

01643-31032

WASHER

SN: 90001-UP

1шт.

32

01010-81045

BOLT

SN: 90001-UP

1шт.

33

01643-31032

WASHER

SN: 90001-UP

1шт.

34

144-874-7470

BOSS

SN: 90001-UP

1шт.

35

714-07-48581

ADAPTER

SN: 90001-UP

1шт.

36

07002-62434

O-RING (K1)

SN: 90001-UP

1шт.

37

02782-10311

ELBOW

SN: 90001-UP

1шт.

38

07002-61423

O-RING (K1)

SN: 90001-UP

1шт.

39

02896-61009

O-RING (K1)

SN: 90001-UP

1шт.

40

02781-0031D

UNION

SN: 90001-UP

1шт.

41

07002-61423

O-RING (K1)

SN: 90001-UP

1шт.

42

02896-61009

O-RING (K1)

SN: 90001-UP

1шт.

43

04434-51512

CLIP

SN: 90001-UP

1шт.

44

01010-81020

BOLT

SN: 90001-UP

1шт.

45

01643-31032

WASHER

SN: 90001-UP

1шт.

Выбрано товаров: 0