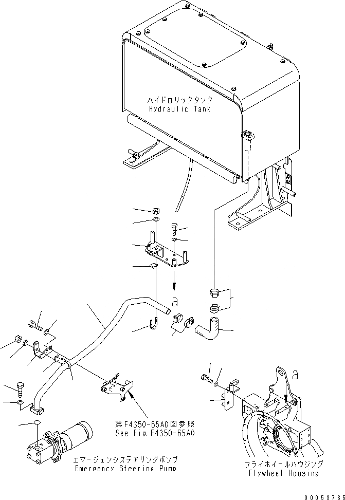
Запчасти Komatsu WA470-6 ГИДР. НАСОС. (ЭКСТРЕНН. ВСАСЫВ. ЛИНИЯ)(№8-9) ГИДРАВЛИКА

Схема запчастей Komatsu WA470-6 - ГИДР. НАСОС. (ЭКСТРЕНН. ВСАСЫВ. ЛИНИЯ)(№8-9) ГИДРАВЛИКА
1
2
3
4
5
6
7
8
9
10
11
12
13
13
14
15
16
17
18
19
20
21
22
23
FIT
1:1
100%

Артикул

Название

Примечание

Количество

1

421-62-46330

TUBE

SN: 85001-90000

1шт.

2

07000-13032

O-RING

SN: 85001-@

1шт.

3

07372-21045

BOLT

SN: 85001-@

4шт.

4

01643-51032

WASHER

SN: 85001-@

4шт.

5

421-62-41412

BRACKET

SN: 85001-90000

1шт.

6

01010-81430

BOLT

SN: 85001-@

2шт.

7

01643-31445

WASHER

SN: 85001-@

2шт.

8

07283-33450

CLIP

SN: 85001-@

1шт.

9

07283-53444

SEAT

SN: 85001-@

1шт.

10

01643-31032

WASHER

SN: 85001-@

2шт.

11

01597-01009

NUT

SN: 85001-@

2шт.

12

423-62-41460

HOSE

SN: 85001-@

1шт.

13

07289-00045

CLAMP

SN: 85001-@

4шт.

14

421-62-41551

BRACKET

SN: 85001-90000

1шт.

15

01010-81025

BOLT

SN: 85001-@

2шт.

16

01643-31032

WASHER

SN: 85001-@

2шт.

17

07283-33450

CLIP

SN: 85001-@

1шт.

18

07283-53444

SEAT

SN: 85001-@

1шт.

19

01643-31032

WASHER

SN: 85001-@

2шт.

20

01597-01009

NUT

SN: 85001-@

2шт.

21

421-62-41750

BRACKET

SN: 85001-@

1шт.

22

01010-81230

BOLT

SN: 85001-@

4шт.

23

01643-31232

WASHER

SN: 85001-@

4шт.

Выбрано товаров: 23