Запчасти Komatsu WA470-6 ГИДР. НАСОС. (ВОЗВРАТН. ЛИНИЯ)(№9-) ГИДРАВЛИКА

Схема запчастей Komatsu WA470-6 - ГИДР. НАСОС. (ВОЗВРАТН. ЛИНИЯ)(№9-) ГИДРАВЛИКА
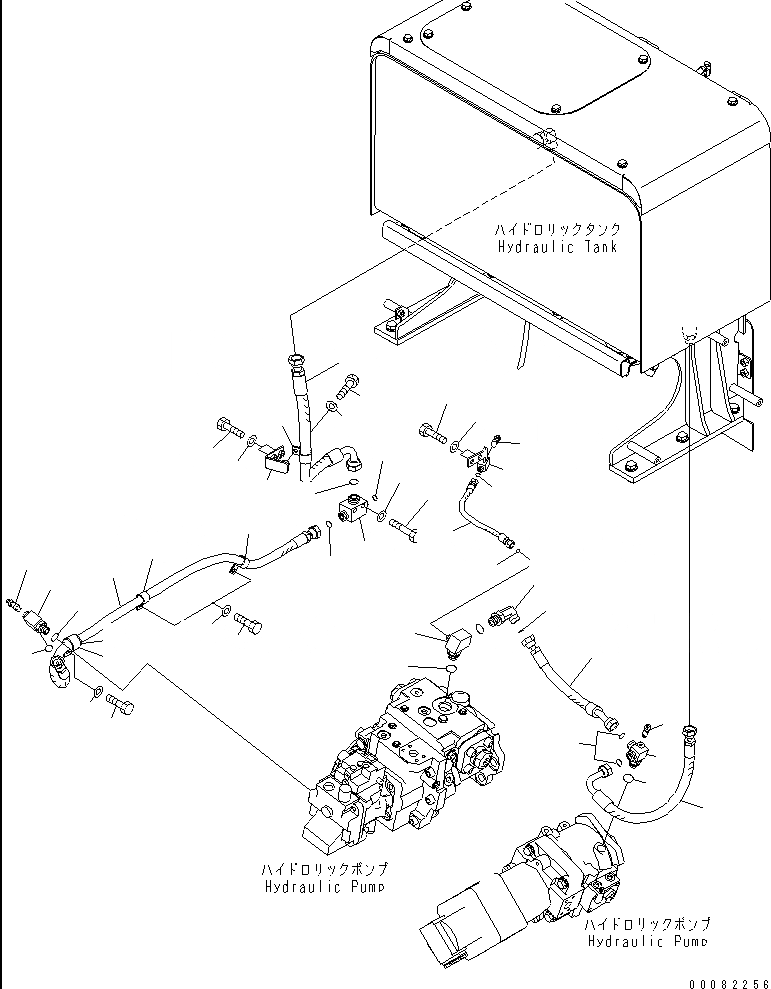
1
2
3
4
5
6
7
8
9
10
11
12
13
13
14
15
16
17
18
19
20
21
22
23
23
24
25
26
27
28
29
30
31
32
33
34
35
36
37
38
39
40
41
FIT
1:1
100%

Артикул

Название

Примечание

Количество

1

07002-12434

O-RING

SN: 85001-UP

1шт.

2

421-62-43990

TEE

SN: 85001-UP

1шт.

3

20B-27-11210

BLEEDER

SN: 85001-UP

1шт.

4

02896-11015

O-RING

SN: 85001-UP

2шт.

5

421-62-46610

HOSE, 380MM

SN: 90001-UP

1шт.

6

02782-1052A

ELBOW

SN: 90001-UP

1шт.

7

02896-11015

O-RING

SN: 85001-UP

1шт.

8

07002-12434

O-RING

SN: 85001-UP

1шт.

9

421-62-46710

ELBOW

SN: 90001-UP

1шт.

10

20B-27-11210

BLEEDER

SN: 85001-UP

1шт.

11

421-62-45540

JOINT

SN: 90001-UP

1шт.

12

421-62-45520

HOSE, 360MM

SN: 90001-UP

1шт.

13

02896-11008

O-RING

SN: 85001-UP

2шт.

14

01010-81020

BOLT

SN: 85001-UP

2шт.

15

01643-31032

WASHER

SN: 85001-UP

2шт.

16

421-62-42730

ELBOW

SN: 85001-UP

1шт.

17

07002-12034

O-RING

SN: 85001-UP

1шт.

18

02896-11015

O-RING

SN: 85001-UP

1шт.

19

04434-53411

CLIP

SN: 85001-UP

1шт.

20

07095-20522

CUSHION

SN: 85001-UP

1шт.

21

01010-81020

BOLT

SN: 85001-UP

1шт.

22

01643-31032

WASHER

SN: 85001-UP

1шт.

23

04434-52310

CLIP

SN: 90001-UP

2шт.

24

01010-81020

BOLT

SN: 90001-UP

2шт.

25

01643-31032

WASHER

SN: 90001-UP

2шт.

26

421-62-41470

BLOCK

SN: 85001-UP

1шт.

27

01010-81060

BOLT

SN: 85001-UP

2шт.

28

01643-31032

WASHER

SN: 85001-UP

2шт.

29

02896-11015

O-RING

SN: 85001-UP

1шт.

30

02896-11012

O-RING

SN: 85001-UP

1шт.

31

02896-11018

O-RING

SN: 85001-UP

1шт.

32

421-62-45580

HOSE, 715MM

SN: 90001-UP

1шт.

33

421-62-45590

HOSE, 600MM

SN: 90001-UP

1шт.

34

421-62-45610

HOSE, 1340MM

SN: 90001-UP

1шт.

35

20B-27-11210

BLEEDER

SN: 85001-UP

1шт.

36

04434-52711

CLIP

SN: 85001-UP

1шт.

37

01010-81020

BOLT

SN: 85001-UP

1шт.

38

01643-31032

WASHER

SN: 85001-UP

1шт.

39

421-62-41560

BRACKET

SN: 90001-UP

1шт.

40

01010-81025

BOLT

SN: 90001-UP

2шт.

41

01643-31032

WASHER

SN: 90001-UP

2шт.

Выбрано товаров: 0