/ / / / / / БЛОКИР. ШАНГА И КРЫШКА(ПЕРЕДН. COVER)(№8-)
Запчасти Komatsu WA470-6 БЛОКИР. ШАНГА И КРЫШКА(ПЕРЕДН. COVER)(№8-) ОСНОВНАЯ РАМА И ЕЕ ЧАСТИ
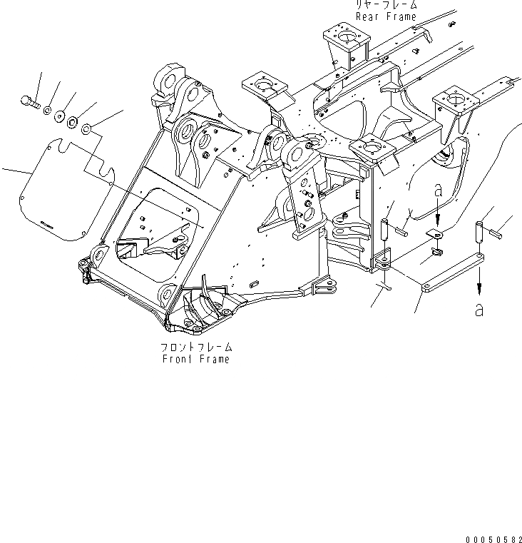
1
2
2
3
3
4
5
6
7
8
9
10
11
1
421-46-12920
BAR,LOCK
SN: 85001-UP
1шт.
2
421-46-12721
PIN
SN: 85001-UP
2шт.
3
04025-01065
PIN,SPRING
SN: 85001-UP
1шт.
4
04050-10060
PIN,COTTER
SN: 85001-UP
1шт.
5
421-46-12740
PIN
SN: 85001-UP
1шт.
6
421-46-44110
COVER,FRONT
SN: 85001-UP
1шт.
7
01010-D1235
BOLT
SN: 85001-UP
4шт.
8
01643-71232
WASHER
SN: 85001-UP
4шт.
9
01640-22232
WASHER
SN: 85001-UP
4шт.
10
415-46-11380
CUSHION
SN: 85001-UP
4шт.
11
421-46-34420
COLLAR
SN: 85001-UP
4шт.
Выбрано товаров: 0