Запчасти Komatsu WA470-6 КАБИНА ROPS (ТРУБКИ КОНДИЦИОНЕРА) (MONOCOQUE ТИП)(№8-) КАБИНА ОПЕРАТОРА И СИСТЕМА УПРАВЛЕНИЯ

Схема запчастей Komatsu WA470-6 - КАБИНА ROPS (ТРУБКИ КОНДИЦИОНЕРА) (MONOCOQUE ТИП)(№8-) КАБИНА ОПЕРАТОРА И СИСТЕМА УПРАВЛЕНИЯ
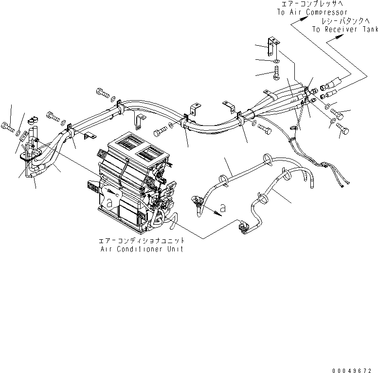
1
2
3
3
4
5
5
6
7
7
7
7
8
9
10
11
12
13
14
15
16
17
18
FIT
1:1
100%

Артикул

Название

Примечание

Количество

1

423-07-31340

HOSE,L.H.

SN: 85001-UP

1шт.

2

423-07-31350

HOSE,R.H.

SN: 85001-UP

1шт.

3

423-S62-4161

HOSE

SN: 85001-UP

1шт.

3

AN51439-D0031

O-RING

SN: 85001-UP

2шт.

4

423-S62-3510

SWITCH,PRESSURE

SN: 85001-UP

1шт.

5

423-S62-4171

HOSE

SN: 85001-UP

1шт.

5

AN51439-D0051

O-RING

SN: 85001-UP

2шт.

6

423-S62-3370

PLATE

SN: 85001-UP

1шт.

7

04435-52210

CLIP

SN: 85001-UP

4шт.

8

421-S62-4250

BRACKET

SN: 85001-UP

1шт.

9

01010-81020

BOLT

SN: 85001-UP

2шт.

10

01643-31032

WASHER

SN: 85001-UP

2шт.

11

04434-51610

CLIP

SN: 85001-UP

1шт.

12

01010-81020

BOLT

SN: 85001-UP

1шт.

13

01643-31032

WASHER

SN: 85001-UP

1шт.

14

04434-50810

CLIP

SN: 85001-UP

1шт.

15

01010-81020

BOLT

SN: 85001-UP

1шт.

16

01643-31032

WASHER

SN: 85001-UP

1шт.

17

01010-80620

BOLT

SN: 85001-UP

1шт.

18

01643-30623

WASHER

SN: 85001-UP

1шт.

Выбрано товаров: 20