Запчасти Komatsu WA470-6 УПРАВЛ-Е ТОРМОЗОМ (КЛАПАН АККУМУЛЯТОРА ЭЛЕМЕНТЫ КРЕПЛЕНИЯ)(№9-) КАБИНА ОПЕРАТОРА И СИСТЕМА УПРАВЛЕНИЯ

Схема запчастей Komatsu WA470-6 - УПРАВЛ-Е ТОРМОЗОМ (КЛАПАН АККУМУЛЯТОРА ЭЛЕМЕНТЫ КРЕПЛЕНИЯ)(№9-) КАБИНА ОПЕРАТОРА И СИСТЕМА УПРАВЛЕНИЯ
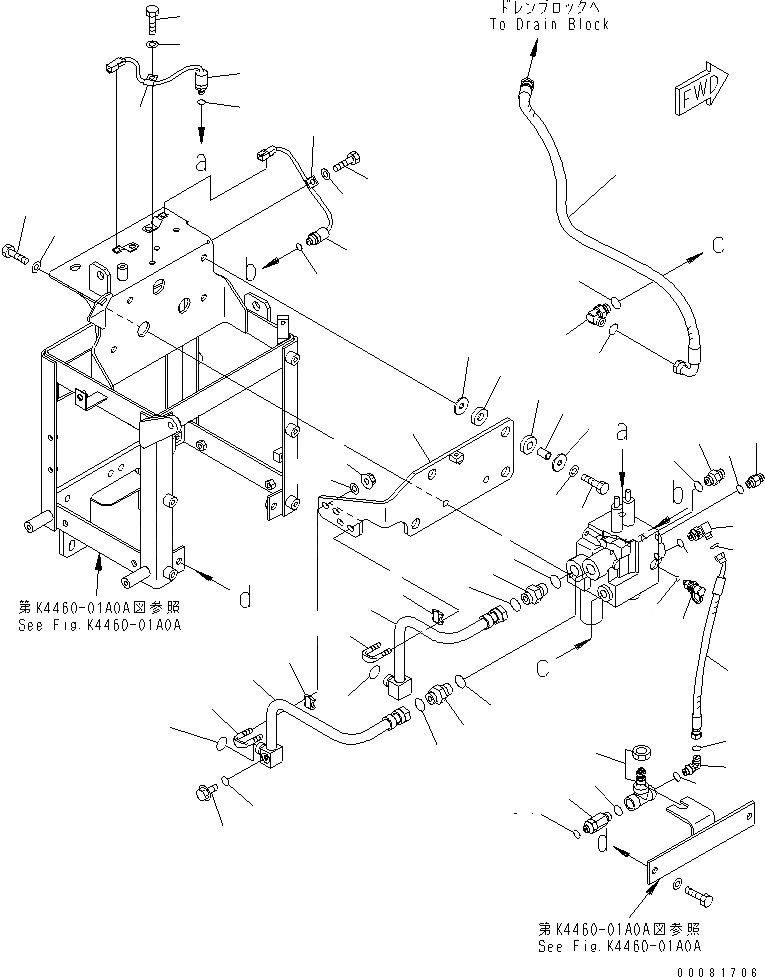
1
2
3
4
5
6
6
7
8
9
10
11
12
12
13
13
14
14
15
16
17
17
18
19
20
20
21
21
22
23
24
25
26
27
28
29
30
31
32
33
34
35
36
37
38
39
40
41
42
43
44
45
45
46
47
48
49
50
50
FIT
1:1
100%

Артикул

Название

Примечание

Количество

1

421-43-47950

PLATE

SN: 90001-UP

1шт.

2

01010-81235

BOLT

SN: 85001-UP

3шт.

3

01643-31232

WASHER

SN: 85001-UP

3шт.

4

01010-81255

BOLT

SN: 90001-UP

4шт.

5

01643-31232

WASHER

SN: 85001-UP

4шт.

6

419-43-17920

WASHER

SN: 90001-UP

8шт.

7

419-43-17930

CUSHION

SN: 90001-UP

4шт.

8

415-64-13130

CUSHION

SN: 90001-UP

4шт.

9

417-54-12260

SPACER

SN: 90001-UP

4шт.

10

799-101-5220

NIPPLE

SN: 90001-UP

1шт.

11

07002-11023

O-RING

SN: 85001-UP

1шт.

12

22S-62-81540

NIPPLE

SN: 90001-UP

2шт.

13

22W-62-13420

O-RING

SN: 90001-UP

2шт.

14

02896-11015

O-RING

SN: 90001-UP

2шт.

15

421-43-47840

TUBE

SN: 90001-UP

1шт.

16

421-43-47850

TUBE

SN: 90001-UP

1шт.

17

02896-11015

O-RING

SN: 90001-UP

2шт.

18

708-8E-16150

PLUG

SN: 90001-UP

1шт.

19

07002-11023

O-RING

SN: 85001-UP

1шт.

20

07283-32244

CLIP

SN: 90001-UP

2шт.

21

07283-52232

SEAT

SN: 90001-UP

2шт.

22

01597-01009

NUT

SN: 90001-UP

4шт.

23

01643-31032

WASHER

SN: 90001-UP

4шт.

24

418-62-35111

ELBOW

SN: 85001-UP

1шт.

25

07000-12018

O-RING

SN: 85001-UP

1шт.

26

02896-11012

O-RING

SN: 90001-UP

1шт.

27

421-43-47790

HOSE, 1100MM

SN: 90001-UP

1шт.

28

02782-10210

ELBOW

SN: 90001-UP

1шт.

29

07002-11423

O-RING

SN: 85001-UP

1шт.

30

02896-11008

O-RING

SN: 90001-UP

1шт.

31

421-43-37362

VALVE

SN: 85001-UP

1шт.

32

421-43-37770

VALVE,CHECK

SN: 85001-UP

1шт.

32

07002-12034

O-RING

SN: 85001-UP

1шт.

33

07002-12034

O-RING

SN: 85001-UP

1шт.

34

02896-11008

O-RING

SN: 85001-UP

1шт.

35

421-43-47780

HOSE, 440MM

SN: 90001-UP

1шт.

36

421-43-47980

TEE

SN: 90001-UP

1шт.

37

07000-12014

O-RING

SN: 90001-UP

1шт.

38

02896-11008

O-RING

SN: 90001-UP

1шт.

39

421-43-47670

UNION

SN: 90001-UP

1шт.

40

07000-12014

O-RING

SN: 90001-UP

1шт.

41

417-18-31120

NIPPLE

SN: 90001-UP

1шт.

42

07000-12018

O-RING

SN: 90001-UP

1шт.

43

421-43-32912

SWITCH,PRESSURE

SN: 90001-UP

1шт.

44

421-43-32922

SWITCH,PRESSURE

SN: 90001-UP

1шт.

45

07002-11423

O-RING

SN: 90001-UP

2шт.

46

01010-81020

BOLT

SN: 90001-UP

1шт.

47

01643-31032

WASHER

SN: 90001-UP

1шт.

48

01010-81025

BOLT

SN: 90001-UP

1шт.

49

01643-31032

WASHER

SN: 90001-UP

1шт.

50

04434-50610

CLIP

SN: 90001-UP

2шт.

Выбрано товаров: 51