Запчасти Komatsu WA470-6 ГИДРОТРАНСФОРМАТОР И ТРАНСМИССИЯ (ПАРКОВОЧН. ЛИНИЯ)(№9-) СИЛОВАЯ ПЕРЕДАЧА

Схема запчастей Komatsu WA470-6 - ГИДРОТРАНСФОРМАТОР И ТРАНСМИССИЯ (ПАРКОВОЧН. ЛИНИЯ)(№9-) СИЛОВАЯ ПЕРЕДАЧА
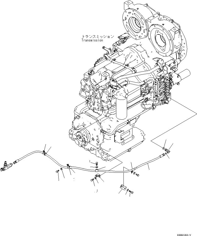
1
2
3
4
5
5
6
7
8
9
10
10
11
11
12
12
13
13
14
15
FIT
1:1
100%

Артикул

Название

Примечание

Количество

1

421-43-47560

HOSE, 2015MM

SN: 90001-UP

1шт.

2

02782-1021A

ELBOW

SN: 90001-UP

1шт.

3

02896-61008

O-RING

SN: 90001-UP

1шт.

4

07002-61423

O-RING

SN: 90001-UP

1шт.

5

04434-51310

CLIP

SN: 90001-UP

2шт.

6

421-43-47570

BRACKET

SN: 90001-UP

1шт.

7

01010-81060

BOLT

SN: 90001-UP

1шт.

8

01643-31032

WASHER

SN: 90001-UP

1шт.

9

22T-61-18130

BRACKET

SN: 90001-UP

1шт.

10

01010-81020

BOLT

SN: 90001-UP

2шт.

11

01643-31032

WASHER

SN: 90001-UP

2шт.

12

04434-51910

CLIP

SN: 90001-UP

2шт.

13

07095-20213

CUSHION

SN: 90001-UP

2шт.

14

01010-81020

BOLT

SN: 90001-UP

2шт.

15

01643-31032

WASHER

SN: 90001-UP

2шт.

Выбрано товаров: 0