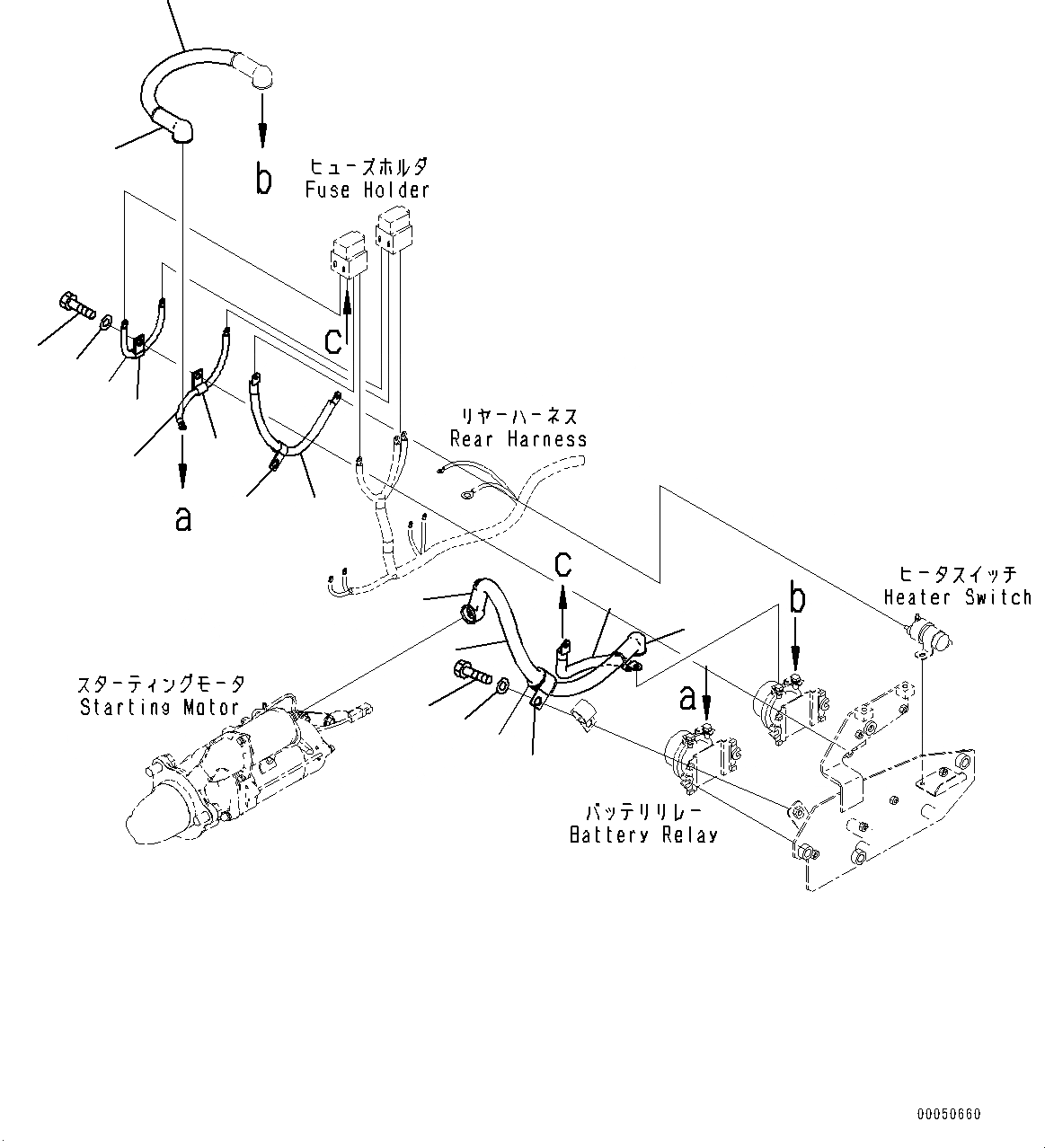
Запчасти Komatsu WA470-6 ЗАДН. ПРОВОДКА, ПРОВОДКА (№9-) ЗАДН. ПРОВОДКА, С ЭКСТРЕНН. УПРАВЛ., АВТОМАТИЧ. УПРАВЛ-Е ТИП

Схема запчастей Komatsu WA470-6 - ЗАДН. ПРОВОДКА, ПРОВОДКА (№9-) ЗАДН. ПРОВОДКА, С ЭКСТРЕНН. УПРАВЛ., АВТОМАТИЧ. УПРАВЛ-Е ТИП
2
3
5
6
7
8
9
10
11
12
13
14
15
16
1
3
4
3
FIT
1:1
100%

Артикул

Название

Примечание

Количество

1

423-06-34650

Wire

SN: 90216-UP

1шт.

2

04434-51012

Clip

SN: 90216-UP

1шт.

3

08038-00035

Cap, Terminal

SN: 90216-UP

3шт.

4

421-06-41840

Cable

SN: 90216-UP

1шт.

5

421-06-41720

Cable

SN: 90216-UP

1шт.

6

08028-HE060

Cable, Battery

SN: 90216-UP

1шт.

7

421-06-41730

Cable

SN: 90216-UP

1шт.

8

04434-51012

Clip

SN: 90216-UP

1шт.

9

01010-81020

Bolt

SN: 90216-UP

1шт.

10

01643-31032

Washer

SN: 90216-UP

1шт.

11

421-06-41781

Cable

SN: 90841-UP

1шт.

11

421-06-41780

Cable

SN: 90216-90840

1шт.

12

04434-51412

Clip

SN: 90216-UP

1шт.

13

04434-53212

Clip

SN: 90216-UP

1шт.

14

07095-20523

Cushion

SN: 90216-UP

1шт.

15

01010-81030

Bolt

SN: 90216-UP

1шт.

16

01643-31032

Washer

SN: 90216-UP

1шт.

Выбрано товаров: 17