Запчасти Komatsu WA470-6 ГИДРОТРАНСФОРМАТОР И ТРАНСМИССИЯ, УПРАВЛЯЮЩ. КЛАПАН (/7) (№9-) ГИДРОТРАНСФОРМАТОР И ТРАНСМИССИЯ, БЕЗ БЛОКИР.UP ТИП

Схема запчастей Komatsu WA470-6 - ГИДРОТРАНСФОРМАТОР И ТРАНСМИССИЯ, УПРАВЛЯЮЩ. КЛАПАН (/7) (№9-) ГИДРОТРАНСФОРМАТОР И ТРАНСМИССИЯ, БЕЗ БЛОКИР.UP ТИП
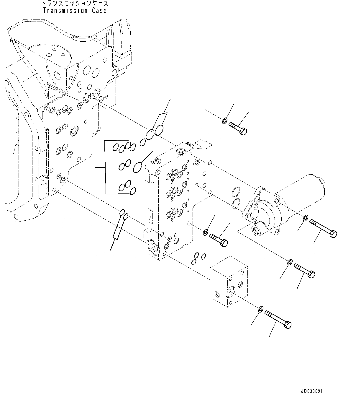
7
8
4
3
9
10
3
2
1
4
5
6
10
5
FIT
1:1
100%

Артикул

Название

Примечание

Количество

|$0

714-07-40001

Transmission Assembly

SN: 90784-UP

1шт.

|$1

714-07-40000

Transmission Assembly

SN: 90216-90783

1шт.

1

07000-72012

O-ring, (Kit : K06)

SN: 90216-UP

2шт.

2

07000-72015

O-ring, (Kit : K06)

SN: 90216-UP

10шт.

3

07000-73022

O-ring, (Kit : K06)

SN: 90216-UP

3шт.

4

01010-81055

Bolt

SN: 90216-UP

4шт.

5

01643-31032

Washer

SN: 90216-UP

4шт.

6

01010-81065

Bolt

SN: 90216-UP

1шт.

7

01643-31032

Washer

SN: 90216-UP

1шт.

8

01011-81020

Bolt

SN: 90216-UP

1шт.

9

01011-81010

Bolt

SN: 90216-UP

1шт.

10

01643-31032

Washer

SN: 90216-UP

2шт.

Выбрано товаров: 12