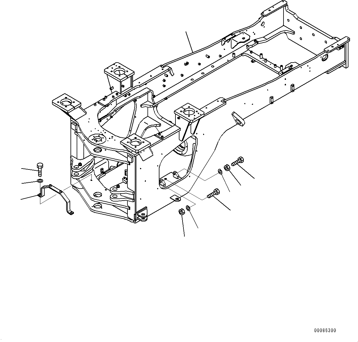
Запчасти Komatsu WA470-6 ЗАДН. РАМА (№9-) ЗАДН. РАМА, С АВТОМАТИЧ.-СИСТ. СМАЗКИ СИСТЕМА, ДЛЯ СТРАН ЕС НОВ. NOISE ARRANGEMENT

Схема запчастей Komatsu WA470-6 - ЗАДН. РАМА (№9-) ЗАДН. РАМА, С АВТОМАТИЧ.-СИСТ. СМАЗКИ СИСТЕМА, ДЛЯ СТРАН ЕС НОВ. NOISE ARRANGEMENT
2
3
4
7
6
5
6
7
5
1
FIT
1:1
100%

Артикул

Название

Примечание

Количество

1

421-S95-7471

Frame,Rear

SN: 90455-UP

1шт.

1

421-S95-7470

Frame,Rear

SN: 90216-90454

1шт.

2

421-S95-7380

Plate

SN: 90216-UP

1шт.

3

01010-81640

Bolt

SN: 90216-UP

2шт.

4

01643-31645

Washer

SN: 90216-UP

2шт.

5

01016-52080

Bolt

SN: 90216-UP

4шт.

6

01643-32060

Washer

SN: 90216-UP

4шт.

7

01580-12016

Nut

SN: 90216-UP

4шт.

Выбрано товаров: 0