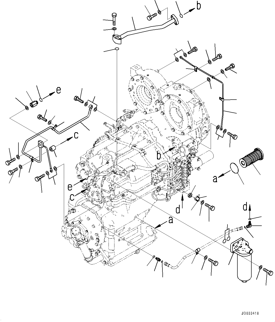
Запчасти Komatsu WA470-6 ГИДРОТРАНСФОРМАТОР И ТРАНСМИССИЯ, ТРУБЫ (№9-) ГИДРОТРАНСФОРМАТОР И ТРАНСМИССИЯ, С БЛОКИР.UP ТИП

Схема запчастей Komatsu WA470-6 - ГИДРОТРАНСФОРМАТОР И ТРАНСМИССИЯ, ТРУБЫ (№9-) ГИДРОТРАНСФОРМАТОР И ТРАНСМИССИЯ, С БЛОКИР.UP ТИП
19
20
21
8
7
8
11
12
22
23
21
20
9
19
20
10
20
19
18
13
14
16
17
15
44
45
41
43
3
42
40
37
39
38
2
1
5
6
4
26
28
29
27
25
33
32
34
35
28
31
30
36
28
26
24
29
FIT
1:1
100%

Артикул

Название

Примечание

Количество

|$0

714-07-40011

Transmission Assembly

SN: 90784-UP

1шт.

|$1

714-07-40010

Transmission Assembly

SN: 90216-90783

1шт.

1

56D-15-19311

Strainer

SN: 90216-UP

1шт.

2

07000-75085

O-ring, (Kit : K01, K02)

SN: 90216-UP

1шт.

3

714-07-48701

Filter Assembly

SN: 90216-UP

1шт.

3

714-07-28713

Cartridge

SN: 90216-UP

1шт.

4

07000-73035

O-ring, (Kit : K01, K02)

SN: 90216-UP

2шт.

5

01010-81040

Bolt

SN: 90216-UP

5шт.

6

01643-31032

Washer

SN: 90216-UP

5шт.

7

714-07-48511

Tube

SN: 90216-UP

1шт.

8

07000-73028

O-ring, (Kit : K01, K02)

SN: 90216-UP

2шт.

9

01010-81040

Bolt

SN: 90216-UP

2шт.

10

01643-31032

Washer

SN: 90216-UP

2шт.

11

01010-81060

Bolt

SN: 90216-UP

2шт.

12

01643-31032

Washer

SN: 90216-UP

2шт.

13

01010-81030

Bolt

SN: 90216-UP

1шт.

14

01643-31032

Washer

SN: 90216-UP

1шт.

15

560-43-15220

Washer

SN: 90216-UP

1шт.

16

04434-51610

Clip

SN: 90216-UP

1шт.

17

07095-20211

Cushion

SN: 90216-UP

1шт.

18

714-07-48521

Tube

SN: 90216-UP

1шт.

19

07206-30710

Bolt, Joint

SN: 90216-UP

3шт.

20

07005-01012

Seal, Washer, (Kit : K01, K02)

SN: 90216-UP

6шт.

21

04434-50610

Clip

SN: 90216-UP

2шт.

22

01010-81020

Bolt

SN: 90216-UP

2шт.

23

01643-31032

Washer

SN: 90216-UP

2шт.

24

714-07-48530

Tube

SN: 90216-UP

1шт.

25

07206-30812

Bolt, Joint

SN: 90216-UP

1шт.

26

07206-31216

Bolt, Joint

SN: 90216-UP

2шт.

27

07005-01212

Seal, Washer, (Kit : K01, K02)

SN: 90216-UP

2шт.

28

07005-01612

Seal, Washer, (Kit : K01, K02)

SN: 90216-UP

4шт.

29

04434-51212

Clip

SN: 90216-UP

2шт.

30

01010-81020

Bolt

SN: 90216-UP

1шт.

31

01643-31032

Washer

SN: 90216-UP

1шт.

32

01010-81045

Bolt

SN: 90216-UP

1шт.

33

01643-31032

Washer

SN: 90216-UP

1шт.

34

144-874-7470

Boss

SN: 90216-UP

1шт.

35

714-07-48581

Adapter

SN: 90216-UP

1шт.

36

07002-62434

O-ring, (Kit : K01, K02)

SN: 90216-UP

1шт.

37

02782-10311

Elbow

SN: 90216-UP

1шт.

38

07002-61423

O-ring, (Kit : K01, K02)

SN: 90216-UP

1шт.

39

02896-61009

O-ring, (Kit : K01, K02)

SN: 90216-UP

1шт.

40

02781-0031D

Nipple

SN: 90216-UP

1шт.

41

07002-61423

O-ring, (Kit : K01, K02)

SN: 90216-UP

1шт.

42

02896-61009

O-ring, (Kit : K01, K02)

SN: 90216-UP

1шт.

43

04434-51512

Clip

SN: 90216-UP

1шт.

44

01010-81020

Bolt

SN: 90216-UP

1шт.

45

01643-31032

Washer

SN: 90216-UP

1шт.

Выбрано товаров: 0