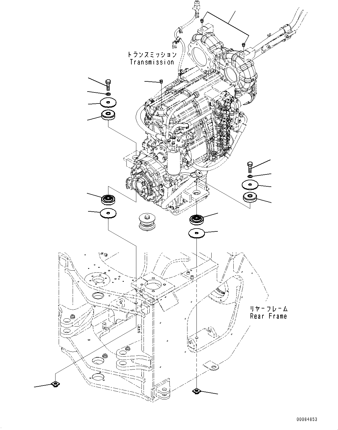
Запчасти Komatsu WA470-6 КРЕПЛЕНИЕ ТРАНСМИССИИ (№9-) КРЕПЛЕНИЕ ТРАНСМИССИИ

Схема запчастей Komatsu WA470-6 - КРЕПЛЕНИЕ ТРАНСМИССИИ (№9-) КРЕПЛЕНИЕ ТРАНСМИССИИ
2
3
1
4
6
5
1
6
5
1
7
2
3
1
4
8
FIT
1:1
100%

Артикул

Название

Примечание

Количество

1

421-01-41140

Cushion

SN: 90216-UP

4шт.

2

01643-32060

Washer

SN: 90216-UP

2шт.

3

424-01-11220

Washer

SN: 90216-UP

2шт.

4

01011-62030

Bolt

SN: 90216-UP

2шт.

5

424-01-11220

Washer

SN: 90216-UP

2шт.

6

421-01-41550

Bracket

SN: 90216-UP

2шт.

7

07049-02430

Plug

SN: 90216-UP

2шт.

8

07049-03038

Plug, Cork

SN: 90216-UP

1шт.

Выбрано товаров: 0