Запчасти Komatsu WA470-6 СОЧЛ. СОЕД. БЛОКИР. BAR И РАМА COVER, ПЕРЕДН. КРЫШКА(№9-) СОЧЛ. СОЕД. БЛОКИР. BAR И РАМА COVER, С 2-Х СЕКЦИОНН. УПРАВЛЯЮЩ. КЛАПАН, АВТОМАТИЧ.-СИСТ. СМАЗКИ СИСТЕМА, ДЛЯ СТРАН ЕС НОВ. NOISE ARRANGEMENT

Схема запчастей Komatsu WA470-6 - СОЧЛ. СОЕД. БЛОКИР. BAR И РАМА COVER, ПЕРЕДН. КРЫШКА(№9-) СОЧЛ. СОЕД. БЛОКИР. BAR И РАМА COVER, С 2-Х СЕКЦИОНН. УПРАВЛЯЮЩ. КЛАПАН, АВТОМАТИЧ.-СИСТ. СМАЗКИ СИСТЕМА, ДЛЯ СТРАН ЕС НОВ. NOISE ARRANGEMENT
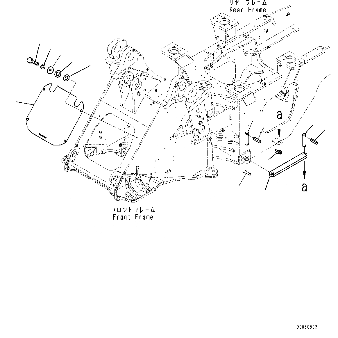
2
3
3
2
1
4
5
6
11
10
9
8
7
FIT
1:1
100%

Артикул

Название

Примечание

Количество

1

421-46-12920

Bar, Lock

SN: 90216-UP

1шт.

2

421-46-12721

Pin

SN: 90216-UP

2шт.

3

04025-01065

Pin, Spring

SN: 90216-UP

1шт.

4

04050-10060

Pin, Cotter

SN: 90216-UP

1шт.

5

421-46-12740

Pin, Linch

SN: 90216-UP

1шт.

6

421-46-44110

Cover,Front

SN: 90216-UP

1шт.

7

01010-D1235

Bolt

SN: 90216-UP

4шт.

8

01643-71232

Washer

SN: 90216-UP

4шт.

9

01640-22232

Washer, Flat

SN: 90216-UP

4шт.

10

415-46-11380

Rubber

SN: 90216-UP

4шт.

11

421-46-34420

Collar

SN: 90216-UP

4шт.

Выбрано товаров: 0