Запчасти Komatsu GD625A-1 УПРАВЛ-Е ТОРМОЗОМ, СИСТЕМА ТРУБ ОХЛАЖДЕНИЯ, ЗАДН. (№9-) КОМПОНЕНТЫ ДВИГАТЕЛЯ И ЭЛЕКТРИКА

Схема запчастей Komatsu GD625A-1 - УПРАВЛ-Е ТОРМОЗОМ, СИСТЕМА ТРУБ ОХЛАЖДЕНИЯ, ЗАДН. (№9-) КОМПОНЕНТЫ ДВИГАТЕЛЯ И ЭЛЕКТРИКА
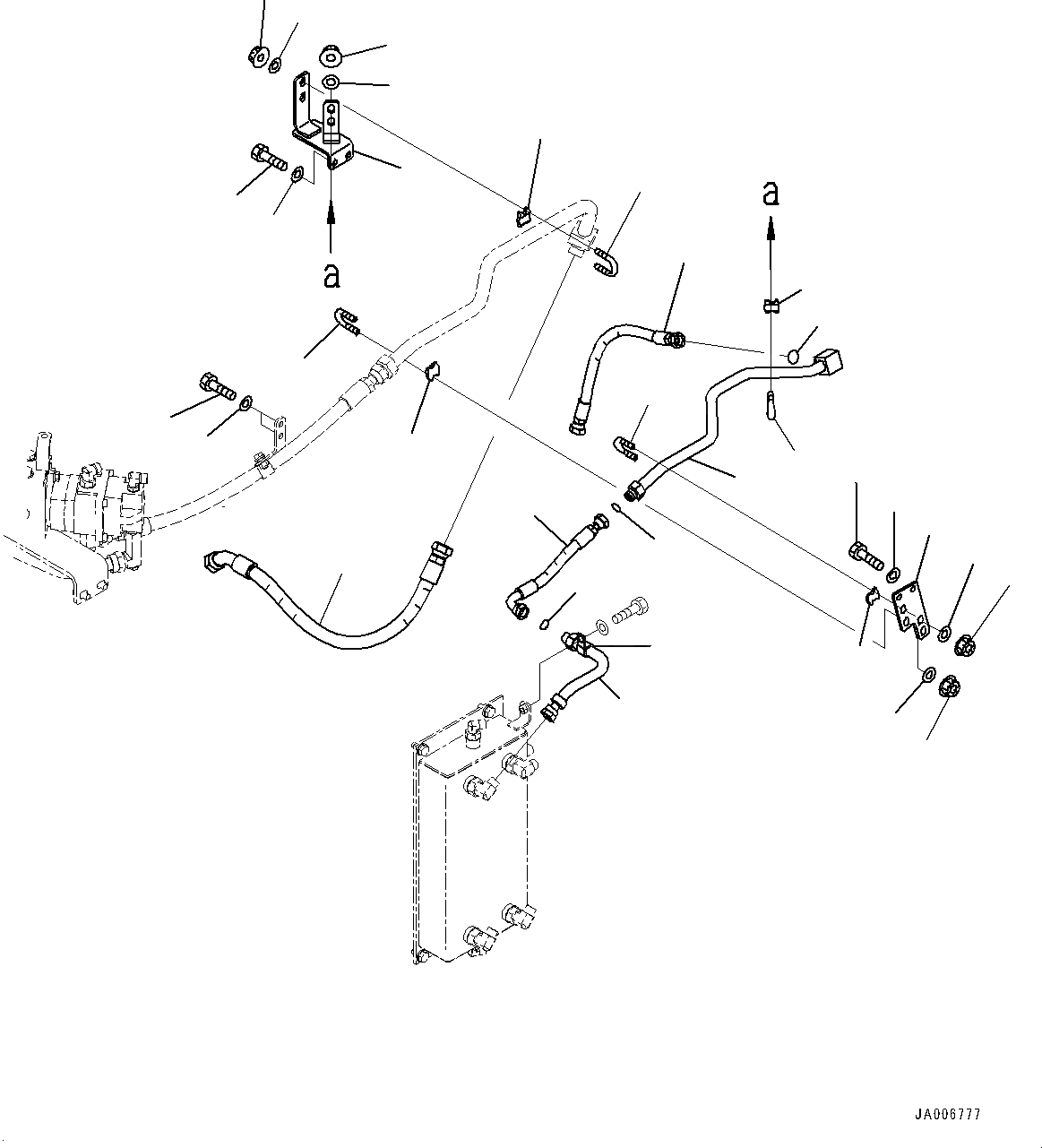
1
2
3
4
5
6
7
8
9
10
11
12
13
14
15
16
17
18
19
20
21
22
23
24
25
26
27
28
29
30
31
32
3
1
2
3
4
5
6
7
8
9
10
11
12
13
14
15
16
17
18
19
20
21
22
23
24
25
26
27
28
29
30
31
32
3
FIT
1:1
100%

Артикул

Название

Примечание

Количество

1

421-U44-4810

Hose

SN: 90216-UP

1шт.

2

421-U44-4980

Tube

SN: 90216-UP

1шт.

3

02896-21012

O-ring

SN: 90216-UP

2шт.

4

421-U44-4370

Bracket

SN: 90216-UP

1шт.

5

07283-32236

Clip, Pipe

SN: 90216-UP

1шт.

6

07283-52232

Seat

SN: 90216-UP

1шт.

7

01643-31032

Washer

SN: 90216-UP

2шт.

8

01597-01009

Nut

SN: 90216-UP

2шт.

9

01010-81020

Bolt

SN: 90216-UP

2шт.

10

01643-31032

Washer

SN: 90216-UP

2шт.

11

421-U44-4990

Tube

SN: 90216-UP

1шт.

12

02896-21012

O-ring

SN: 90216-UP

1шт.

13

04434-52110

Clip

SN: 90216-UP

1шт.

14

01010-81020

Bolt

SN: 90216-UP

1шт.

15

01643-31032

Washer

SN: 90216-UP

1шт.

16

07283-32738

Clip, Pipe

SN: 90216-UP

1шт.

17

07283-52737

Seat

SN: 90216-UP

1шт.

18

01643-31032

Washer

SN: 90216-UP

2шт.

19

01597-01009

Nut

SN: 90216-UP

2шт.

20

421-U44-4380

Bracket

SN: 90216-UP

1шт.

21

07283-32236

Clip, Pipe

SN: 90216-UP

1шт.

22

07283-52232

Seat

SN: 90216-UP

1шт.

23

01643-31032

Washer

SN: 90216-UP

2шт.

24

01597-01009

Nut

SN: 90216-UP

2шт.

25

07283-32738

Clip, Pipe

SN: 90216-UP

1шт.

26

07283-52737

Seat

SN: 90216-UP

1шт.

27

01643-31032

Washer

SN: 90216-UP

2шт.

28

01597-01009

Nut

SN: 90216-UP

2шт.

29

01010-81020

Bolt

SN: 90216-UP

2шт.

30

01643-31032

Washer

SN: 90216-UP

2шт.

31

421-U44-4780

Hose

SN: 90216-UP

1шт.

32

421-U44-4920

Hose

SN: 90216-UP

1шт.

1

421-U44-4810

Hose

2

421-U44-4980

Tube

3

02896-21012

O-ring

4

421-U44-4370

Bracket

5

07283-32236

Clip, Pipe

6

07283-52232

Seat

7

01643-31032

Washer

8

01597-01009

Nut

9

01010-81020

Bolt

10

01643-31032

Washer

11

421-U44-4990

Tube

12

02896-21012

O-ring

13

04434-52110

Clip

14

01010-81020

Bolt

15

01643-31032

Washer

16

07283-32738

Clip, Pipe

17

07283-52737

Seat

18

01643-31032

Washer

19

01597-01009

Nut

20

421-U44-4380

Bracket

21

07283-32236

Clip, Pipe

22

07283-52232

Seat

23

01643-31032

Washer

24

01597-01009

Nut

25

07283-32738

Clip, Pipe

26

07283-52737

Seat

27

01643-31032

Washer

28

01597-01009

Nut

29

01010-81020

Bolt

30

01643-31032

Washer

31

421-U44-4780

Hose

32

421-U44-4920

Hose

Выбрано товаров: 64