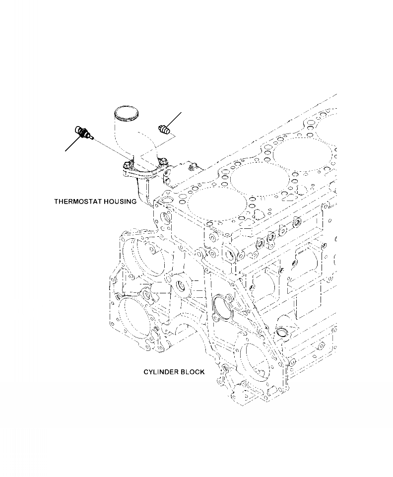
Запчасти Komatsu WA470-6 A79-AH7 ДАТЧИК ТЕМПЕРАТУРЫ ВОДЫ ДВИГАТЕЛЬ

Схема запчастей Komatsu WA470-6 - A79-AH7 ДАТЧИК ТЕМПЕРАТУРЫ ВОДЫ ДВИГАТЕЛЬ
1
2
FIT
1:1
100%

Артикул

Название

Примечание

Количество

1

07042-A0415

PLUG

1шт.

2

6261-81-6901

SENSOR ASSEMBLY

1шт.

|$2

6261-81-6910

SENSOR, WATER TEMPERATURE

1шт.

|$3

6261-84-9740

SEAL

1шт.

Выбрано товаров: 4