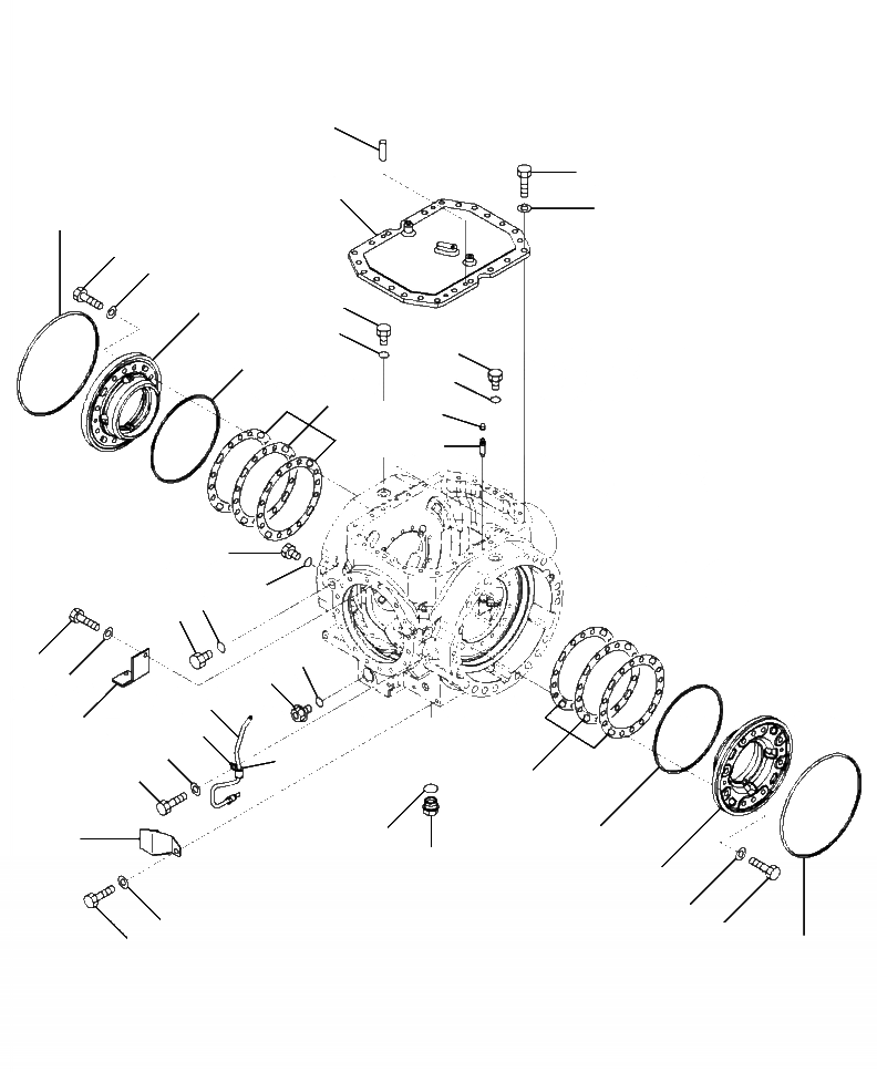
Запчасти Komatsu WA470-6 F-B ЗАДН. МОСТ ДИФФЕРЕНЦ. (/) СИЛОВАЯ ПЕРЕДАЧА И КОНЕЧНАЯ ПЕРЕДАЧА

Схема запчастей Komatsu WA470-6 - F-B ЗАДН. МОСТ ДИФФЕРЕНЦ. (/) СИЛОВАЯ ПЕРЕДАЧА И КОНЕЧНАЯ ПЕРЕДАЧА
10
11
9
12
30
28
29
13
25
14
13
27
14
26
6
5
7
8
4
3
16
32
15
33
17
21
31
24
22
23
26
27
2
18
1
25
29
20
28
30
19
FIT
1:1
100%

Артикул

Название

Примечание

Количество

|$0

AXLE ASSEMBLY (SEE FIG. F4500-51B0 )

SN: A45001--UP

-1шт.

|$1

DIFFERENTIAL (SEE FIG. F4500-53B0 )

SN: A45001--UP

-1шт.

1

07044-13620

PLUG

SN: A45001--UP

1шт.

2

07002-13634

O-RING

SN: A45001--UP

1шт.

3

07040-11409

PLUG

SN: A45001--UP

2шт.

4

07002-61423

O-RING

SN: A45001--UP

1шт.

5

419-33-11460

BLEEDER

SN: A45001--UP

2шт.

6

566-32-11620

CAP

SN: A45001--UP

2шт.

7

07040-12012

PLUG

SN: A45001--UP

2шт.

8

07002-12034

O-RING

SN: A45001--UP

2шт.

9

421-23-33151

COVER

SN: A45001--UP

1шт.

10

04020-01228

PIN

SN: A45001--UP

2шт.

11

01010-61440

BOLT

SN: A45001--UP

24шт.

12

01643-31445

WASHER

SN: A45001--UP

24шт.

13

07040-11812

PLUG

SN: A45001--UP

2шт.

14

07002-11823

O-RING

SN: A45001--UP

2шт.

15

07041-13612

PLUG

SN: A45001--UP

1шт.

16

07002-13634

O-RING

SN: A45001--UP

1шт.

17

426-06-31120

SENSOR

SN: A45001--UP

1шт.

18

419-22-33812

COVER

SN: A45001--UP

1шт.

19

01010-61225

BOLT

SN: A45001--UP

2шт.

20

01643-31232

WASHER

SN: A45001--UP

2шт.

21

04434-51612

CLIP

SN: A45001--UP

1шт.

22

07095-20211

CUSHION

SN: A45001--UP

1шт.

23

01010-61225

BOLT

SN: A45001--UP

1шт.

24

01643-31232

WASHER

SN: A45001--UP

1шт.

25

421-23-31161

CARRIER

SN: A45001--UP

2шт.

26

421-23-31360

SHIM, 0.05 MM

SN: A45001--UP

6шт.

|$28

421-23-31370

SHIM, 0.2 MM

SN: A45001--UP

4шт.

|$29

421-23-31380

SHIM, 0.3 MM

SN: A45001--UP

4шт.

|$30

421-23-31390

SHIM, 0.8 MM

SN: A45001--UP

2шт.

27

423-33-21430

RING

SN: A45001--UP

2шт.

28

01010-61445

BOLT

SN: A45001--UP

20шт.

29

01643-31445

WASHER

SN: A45001--UP

20шт.

30

421-33-21410

SEAL

SN: A45001--UP

2шт.

31

421-22-33230

BRACKET

SN: A45001--UP

1шт.

32

01010-61025

BOLT

SN: A45001--UP

2шт.

33

01643-31032

WASHER

SN: A45001--UP

2шт.

Выбрано товаров: 38