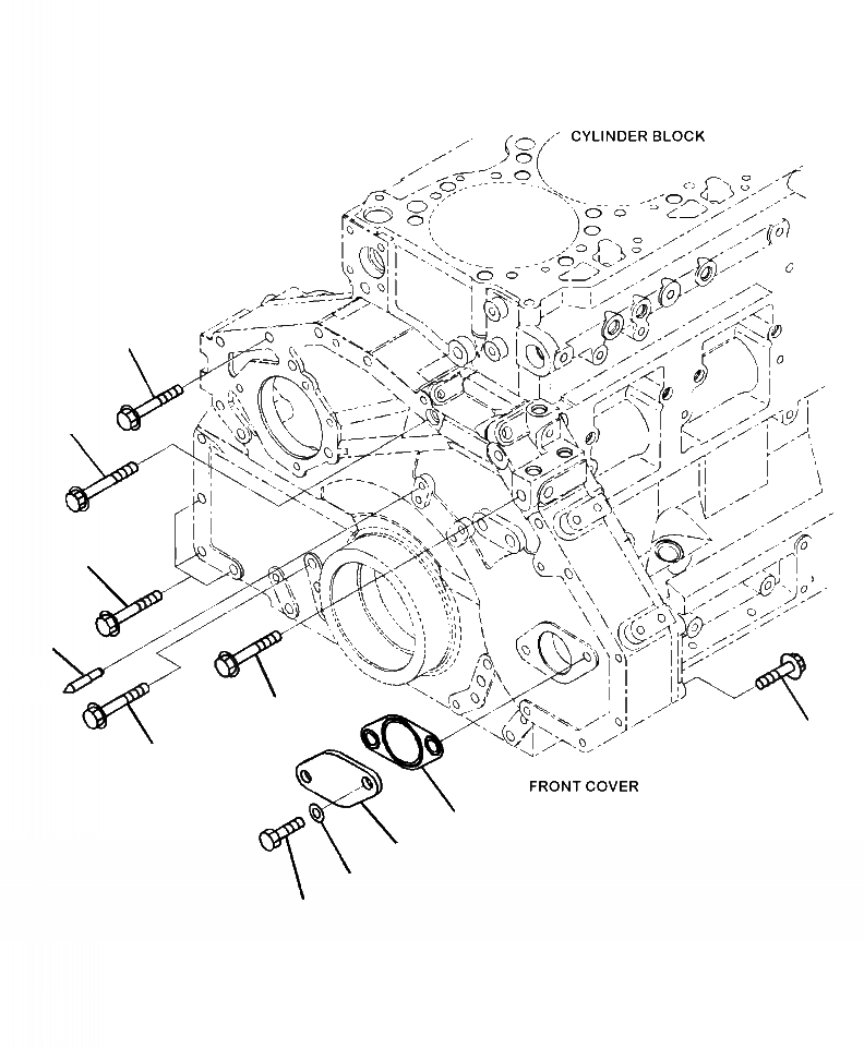
Запчасти Komatsu WA470-6 A-AH9K ПЕРЕДН. ПРИВОД КРЫШКАКРЕПЛЕНИЕ БОЛТ И POINTER ДВИГАТЕЛЬ

Схема запчастей Komatsu WA470-6 - A-AH9K ПЕРЕДН. ПРИВОД КРЫШКАКРЕПЛЕНИЕ БОЛТ И POINTER ДВИГАТЕЛЬ
1
2
3
2
2
9
6
7
4
5
8
FIT
1:1
100%

Артикул

Название

Примечание

Количество

1

01435-01070

BOLT

3шт.

2

01435-01080

BOLT

7шт.

3

01437-01075

BOLT

1шт.

4

6251-21-3211

PLATE

1шт.

5

6251-21-3231

GASKET

1шт.

6

01050-51225

BOLT

2шт.

7

6251-21-3250

GASKET

2шт.

8

6150-81-9130

BOLT

4шт.

9

6150-22-3360

POINTER

1шт.

Выбрано товаров: 9