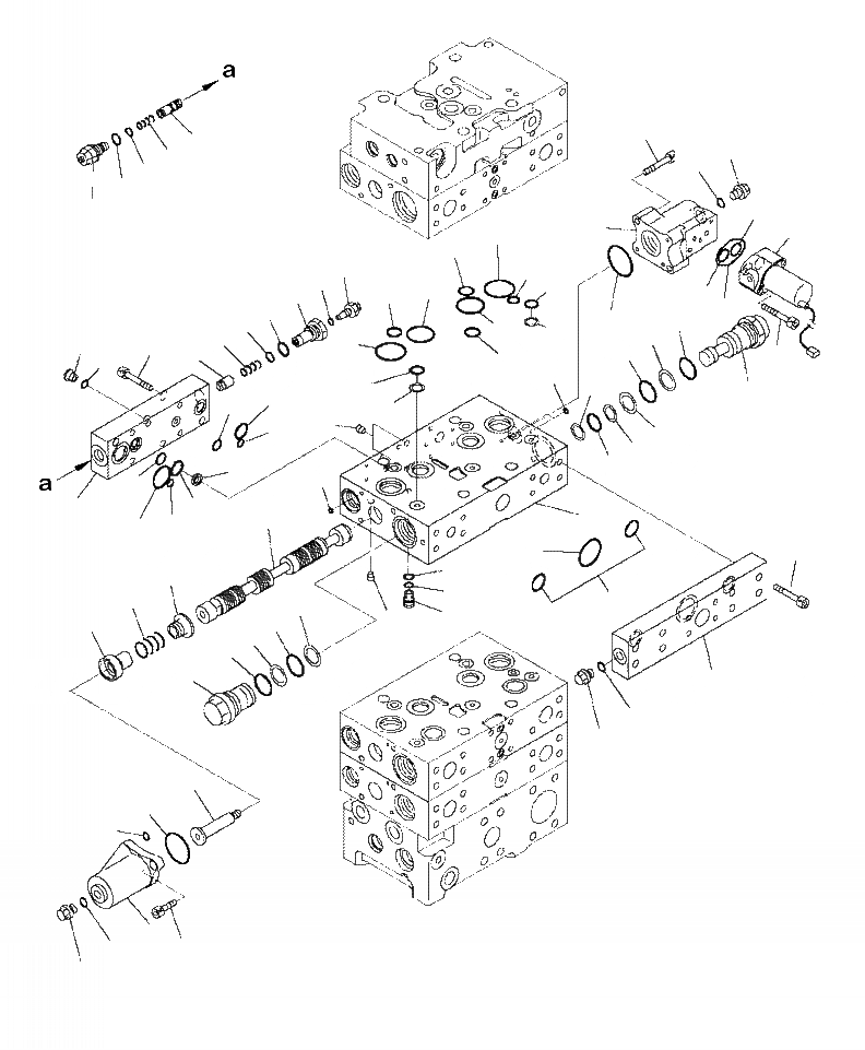
Запчасти Komatsu WA470-6 H-A УПРАВЛЯЮЩ. КЛАПАН 3-Х СЕКЦИОНН. КЛАПАН (7/) ГИДРАВЛИКА

Схема запчастей Komatsu WA470-6 - H-A УПРАВЛЯЮЩ. КЛАПАН 3-Х СЕКЦИОНН. КЛАПАН (7/) ГИДРАВЛИКА
15
39
10
11
40
36
37
31
35
13
30
59
61
46
62
47
57
60
61
43
31
45
32
19
44
8
60
58
21
42
52
59
34
20
41
53
33
61
14
23
57
18
55
51
58
16
56
21
23
22
48
14
50
49
38
2
1
56
54
29
27
65
4
64
6
28
21
5
20
63
16
21
19
17
24
26
25
3
8
12
7
9
11
10
FIT
1:1
100%

Артикул

Название

Примечание

Количество

|$0

VALVE ASSEMBLY (SEE FIG. H0120-09A0)

SN: A45001--UP

-1шт.

|$1

NSS

BODY SUBASSEMBLY

SN: A45001--UP

1шт.

1

NSS

BLOCK

SN: A45001--UP

1шт.

2

NSS

SPOOL

SN: A45001--UP

1шт.

3

723-46-15390

PLUG

SN: A45001--UP

1шт.

4

723-46-16720

RETAINER

SN: A45001--UP

1шт.

5

723-46-15380

RETAINER

SN: A45001--UP

1шт.

6

723-46-14381

SPRING

SN: A45001--UP

1шт.

7

723-46-17840

CASE

SN: A45001--UP

1шт.

8

07430-71380

O-RING

SN: A45001--UP

2шт.

9

01252-60820

BOLT

SN: A45001--UP

2шт.

10

706-73-71450

PLUG

SN: A45001--UP

2шт.

11

07002-11423

O-RING

SN: A45001--UP

2шт.

12

723-11-19960

O-RING

SN: A45001--UP

1шт.

13

NSS

CASE

SN: A45001--UP

1шт.

14

07000-11008

O-RING

SN: A45001--UP

3шт.

15

01252-60840

BOLT

SN: A45001--UP

2шт.

16

NSS

PLUG

SN: A45001--UP

4шт.

17

723-46-16731

PLUG

SN: A45001--UP

1шт.

18

723-46-16741

PLUG

SN: A45001--UP

1шт.

19

07002-13634

O-RING

SN: A45001--UP

2шт.

20

700-93-11320

O-RING

SN: A45001--UP

2шт.

21

723-46-41950

RING

SN: A45001--UP

4шт.

22

07000-12018

O-RING

SN: A45001--UP

1шт.

23

07001-02018

RING, BACK-UP

SN: A45001--UP

2шт.

24

723-46-16750

PLATE

SN: A45001--UP

1шт.

25

708-8E-16150

PLUG

SN: A45001--UP

1шт.

26

07002-11023

O-RING

SN: A45001--UP

1шт.

27

07000-13035

O-RING

SN: A45001--UP

1шт.

28

07000-12021

O-RING

SN: A45001--UP

2шт.

29

01252-61045

BOLT

SN: A45001--UP

8шт.

30

702-21-07610

SOLENOID VALVE

SN: A45001--UP

1шт.

31

700-22-11410

O-RING

SN: A45001--UP

2шт.

32

702-21-39450

O-RING

SN: A45001--UP

1шт.

33

203-60-62220

BOLT

SN: A45001--UP

2шт.

34

01252-60835

BOLT

SN: A45001--UP

6шт.

|$36

723-40-93400

VALVE ASSEMBLY

SN: A45001--UP

1шт.

35

723-40-93500

VALVE RELIEF

SN: A45001--UP

1шт.

36

702-16-53920

O-RING

SN: A45001--UP

1шт.

37

07002-11623

O-RING

SN: A45001--UP

1шт.

38

NSS

BLOCK

SN: A45001--UP

1шт.

39

NSS

SPOOL

SN: A45001--UP

1шт.

40

702-21-55640

SPRING

SN: A45001--UP

1шт.

41

723-56-31610

VALVE

SN: A45001--UP

1шт.

42

723-56-31620

SPRING

SN: A45001--UP

1шт.

43

723-50-61440

PLUG

SN: A45001--UP

1шт.

44

07000-12010

O-RING

SN: A45001--UP

1шт.

45

07002-12034

O-RING

SN: A45001--UP

1шт.

46

708-2L-35530

PLUG

SN: A45001--UP

1шт.

47

07002-61023

O-RING

SN: A45001--UP

1шт.

48

702-21-53130

FILTER

SN: A45001--UP

1шт.

49

702-21-55520

O-RING

SN: A45001--UP

1шт.

50

702-21-55420

O-RING

SN: A45001--UP

1шт.

51

723-46-17530

O-RING

SN: A45001--UP

1шт.

52

723-11-18190

PLUG

SN: A45001--UP

1шт.

53

07002-11023

O-RING

SN: A45001--UP

1шт.

54

723-11-19110

O-RING

SN: A45001--UP

1шт.

55

723-46-18710

O-RING

SN: A45001--UP

1шт.

56

07000-11008

O-RING

SN: A45001--UP

2шт.

57

723-11-19130

O-RING

SN: A45001--UP

2шт.

58

723-46-17520

RING

SN: A45001--UP

2шт.

59

723-46-17510

O-RING

SN: A45001--UP

2шт.

60

723-46-16520

O-RING

SN: A45001--UP

2шт.

61

722-12-19070

O-RING

SN: A45001--UP

3шт.

62

723-46-17530

O-RING

SN: A45001--UP

1шт.

63

723-46-16960

PLUG

SN: A45001--UP

1шт.

64

07000-11010

O-RING

SN: A45001--UP

1шт.

65

07001-01010

RING

SN: A45001--UP

1шт.

Выбрано товаров: 68