Запчасти Komatsu WA470-6 H-A ГИДРОЛИНИЯ НАВЕСН. ОБОРУД ТРУБКАS ГИДРАВЛИКА

Схема запчастей Komatsu WA470-6 - H-A ГИДРОЛИНИЯ НАВЕСН. ОБОРУД ТРУБКАS ГИДРАВЛИКА
1
3
5
4
3
5
4
2
FIT
1:1
100%

Артикул

Название

Примечание

Количество

1

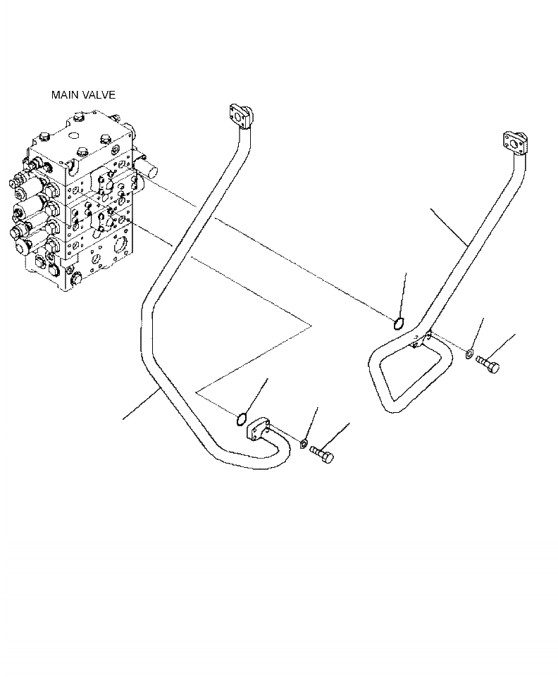
421-877-4510

TUBE, L.H.

SN: A45001--UP

1шт.

2

421-877-4520

TUBE, R.H.

SN: A45001--UP

1шт.

3

07000-13035

O-RING

SN: A45001--UP

2шт.

4

07372-21040

BOLT

SN: A45001--UP

8шт.

5

01643-51032

WASHER

SN: A45001--UP

8шт.

Выбрано товаров: 5