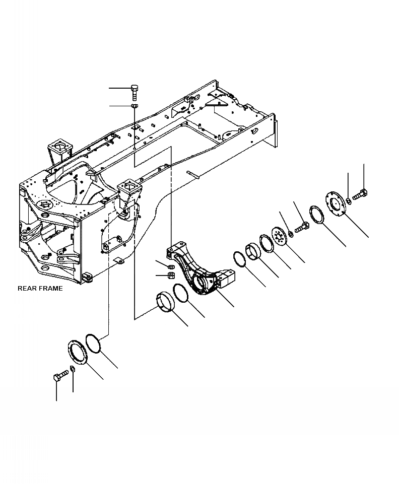
Запчасти Komatsu WA470-6 J-A РАМА ЗАДН. МОСТ СУППОРТ ОСНОВНАЯ РАМА И ЕЕ ЧАСТИ

Схема запчастей Komatsu WA470-6 - J-A РАМА ЗАДН. МОСТ СУППОРТ ОСНОВНАЯ РАМА И ЕЕ ЧАСТИ
17
18
9
10
6
7
8
4
18
5
4
19
2
3
1
16
11
15
12
14
13
FIT
1:1
100%

Артикул

Название

Примечание

Количество

1

421-46-37110

SUPPORT, REAR

SN: A45001--UP

1шт.

2

421-46-37120

BUSHING, REAR

SN: A45001--UP

1шт.

3

419-46-12480

PACKING

SN: A45001--UP

1шт.

4

421-46-37130

WASHER, THRUST

SN: A45001--UP

2шт.

5

424-46-12221

PLATE

SN: A45001--UP

1шт.

6

01010-61665

BOLT

SN: A45001--UP

8шт.

7

01643-31645

WASHER

SN: A45001--UP

8шт.

8

424-46-12191

COVER

SN: A45001--UP

1шт.

9

01010-61665

BOLT

SN: A45001--UP

8шт.

10

01643-31645

WASHER

SN: A45001--UP

8шт.

11

421-46-37140

BUSHING, FRONT

SN: A45001--UP

1шт.

12

421-46-37150

RETAINER, FRONT

SN: A45001--UP

1шт.

13

01010-81235

BOLT

SN: A45001--UP

6шт.

14

01643-31232

WASHER

SN: A45001--UP

6шт.

15

421-46-37160

PACKING

SN: A45001--UP

1шт.

16

421-46-37170

U-PACKING

SN: A45001--UP

1шт.

17

01011-62790

BOLT

SN: A45001--UP

4шт.

18

01643-32780

WASHER

SN: A45001--UP

8шт.

19

01580-02722

NUT

SN: A45001--UP

4шт.

Выбрано товаров: 19