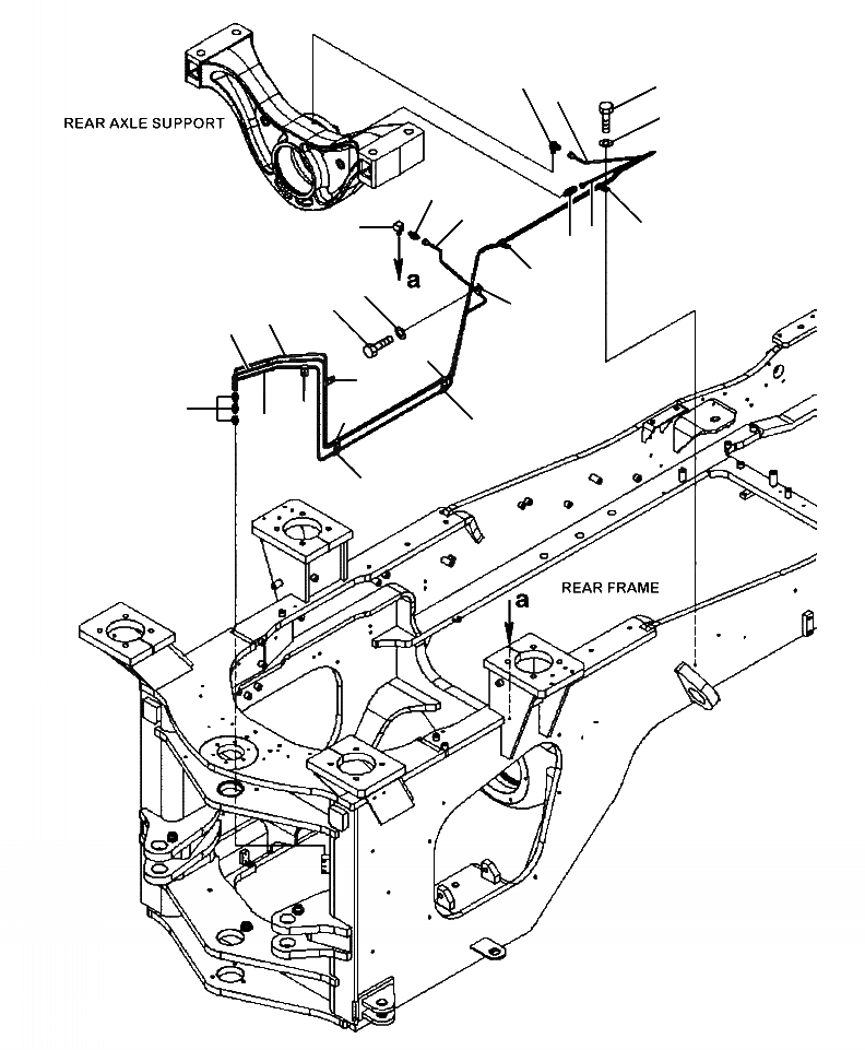
Запчасти Komatsu WA470-6 J7-A УДАЛЕННАЯ СМАЗКА ЗАДН. МОСТ СУППОРТ ОСНОВНАЯ РАМА И ЕЕ ЧАСТИ

Схема запчастей Komatsu WA470-6 - J7-A УДАЛЕННАЯ СМАЗКА ЗАДН. МОСТ СУППОРТ ОСНОВНАЯ РАМА И ЕЕ ЧАСТИ
4
6
2
7
11
8
10
3
5
4
3
13
12
9
5
2
3
3
1
3
9
8
9
9
FIT
1:1
100%

Артикул

Название

Примечание

Количество

1

423-09-12110

CONNECTOR

SN: A45001--UP

3шт.

2

421-46-46140

TUBE

SN: A45001--UP

1шт.

3

04435-50610

CLIP

SN: A45001--UP

5шт.

4

421-09-12540

ELBOW

SN: A45001--UP

2шт.

5

421-46-46150

TUBE

SN: A45001--UP

1шт.

6

01010-81020

BOLT

SN: A45001--UP

5шт.

7

01643-31032

WASHER

SN: A45001--UP

5шт.

8

421-46-46270

TUBE

SN: A45001--UP

1шт.

9

04434-50610

CLIP

SN: A45001--UP

4шт.

10

205-62-53391

ELBOW

SN: A45001--UP

1шт.

11

423-09-12110

CONNECTOR

SN: A45001--UP

1шт.

12

01010-81020

BOLT

SN: A45001--UP

2шт.

13

01643-31032

WASHER

SN: A45001--UP

2шт.

Выбрано товаров: 13