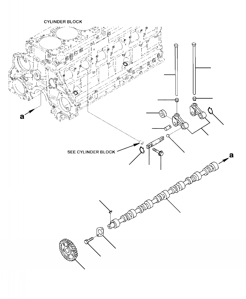
Запчасти Komatsu WA470-6 A-AB8 РАСПРЕДВАЛ И ТОЛКАТЕЛЬ КЛАПАНА ДВИГАТЕЛЬ

Схема запчастей Komatsu WA470-6 - A-AB8 РАСПРЕДВАЛ И ТОЛКАТЕЛЬ КЛАПАНА ДВИГАТЕЛЬ
14
14
7
7
8
9
12
6
11
13
10
12
1
4
2
5
3
FIT
1:1
100%

Артикул

Название

Примечание

Количество

|$0

6150-41-1012

CAMSHAFT ASSEMBLY

1шт.

1

NSS

CAMSHAFT

1шт.

2

6150-41-1130

PLATE, THRUST

1шт.

3

6150-41-1120

GEAR, CAMSHAFT

1шт.

4

04010-00725

KEY

1шт.

5

01010-81022

BOLT

2шт.

|$6

6150-41-2302

LEVER ASSEMBLY

12шт.

6

NSS

LEVER

1шт.

7

NSS

SOCKET

1шт.

8

NSS

ROLLER

1шт.

9

NSS

PIN

1шт.

|$11

6150-41-2401

SHAFT ASSEMBLY

6шт.

10

NSS

SHAFT

1шт.

11

6150-81-8420

BALL

1шт.

12

04064-02012

RING, SNAP

12шт.

13

6150-41-2450

BOLT

12шт.

14

6150-41-3111

ROD, PUSH

12шт.

Выбрано товаров: 17