Запчасти Komatsu WA470-6 K-A КАБИНА ROPS АКСЕЛЕРАТОР ПЕДАЛЬ УПРАВЛ-Я OPERATORXD S ОБСТАНОВКА И СИСТЕМА УПРАВЛЕНИЯ

Схема запчастей Komatsu WA470-6 - K-A КАБИНА ROPS АКСЕЛЕРАТОР ПЕДАЛЬ УПРАВЛ-Я OPERATORXD S ОБСТАНОВКА И СИСТЕМА УПРАВЛЕНИЯ
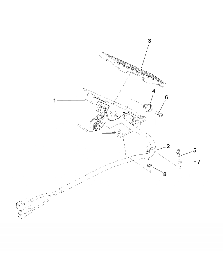
3
4
6
1
5
2
7
8
FIT
1:1
100%

Артикул

Название

Примечание

Количество

1

702-16-07021

PEDAL ASSEMBLY

SN: A45001--UP

1шт.

2

702-16-74120

CLIP

SN: A45001--UP

1шт.

3

702-16-73960

COVER

SN: A45001--UP

1шт.

4

702-16-73950

PLATE

SN: A45001--UP

1шт.

5

702-16-74130

BOLT

SN: A45001--UP

1шт.

6

702-16-74150

SCREW

SN: A45001--UP

2шт.

7

01640-20408

WASHER

SN: A45001--UP

1шт.

8

702-16-74160

SPACER

SN: A45001--UP

1шт.

Выбрано товаров: 8