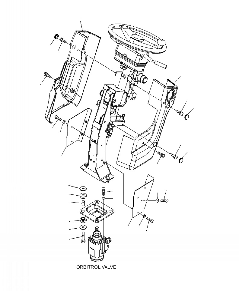
Запчасти Komatsu WA470-6 K-A КАБИНА ROPS РУЛЕВ. КОЛОН. КРЫШКИ OPERATORXD S ОБСТАНОВКА И СИСТЕМА УПРАВЛЕНИЯ

Схема запчастей Komatsu WA470-6 - K-A КАБИНА ROPS РУЛЕВ. КОЛОН. КРЫШКИ OPERATORXD S ОБСТАНОВКА И СИСТЕМА УПРАВЛЕНИЯ
10
12
18
9
11
18
12
15
17
11
12
13
11
2
17
16
7
3
8
4
1
5
14
2
17
15
6
FIT
1:1
100%

Артикул

Название

Примечание

Количество

1

423-40-42160

BRACKET

SN: A45001--UP

1шт.

2

419-43-17920

WASHER

SN: A45001--UP

8шт.

3

417-62-13620

CUSHION

SN: A45001--UP

4шт.

4

417-62-14130

SPACER

SN: A45001--UP

4шт.

5

419-43-17930

CUSHION

SN: A45001--UP

4шт.

6

01010-81250

BOLT

SN: A45001--UP

4шт.

7

02010-70638

BOLT

SN: A45001--UP

4шт.

8

01643-31032

WASHER

SN: A45001--UP

4шт.

9

421-54-32313

COVER, L.H.

SN: A45001--UP

1шт.

10

421-54-32323

COVER, R.H.

SN: A45001--UP

1шт.

11

421-09-21460

SCREW

SN: A45001--UP

3шт.

12

22U-54-25140

CAP

SN: A45001--UP

3шт.

13

423-40-42120

COVER

SN: A45001--UP

1шт.

14

423-40-42140

COVER

SN: A45001--UP

1шт.

15

01225-70616

SCREW

SN: A45001--UP

4шт.

16

01225-70612

SCREW

SN: A45001--UP

2шт.

17

23S-55-51970

WASHER

SN: A45001--UP

6шт.

18

421-09-21440

SCREW

SN: A45001--UP

2шт.

Выбрано товаров: 18