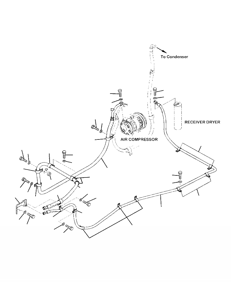
Запчасти Komatsu WA470-6 K7-A ТРУБКИ КОНДИЦИОНЕРА КОМПРЕССОР И ВЛАГООТДЕЛИТЕЛЬ ЛИНИИ OPERATORXD S ОБСТАНОВКА И СИСТЕМА УПРАВЛЕНИЯ

Схема запчастей Komatsu WA470-6 - K7-A ТРУБКИ КОНДИЦИОНЕРА КОМПРЕССОР И ВЛАГООТДЕЛИТЕЛЬ ЛИНИИ OPERATORXD S ОБСТАНОВКА И СИСТЕМА УПРАВЛЕНИЯ
13
2
14
3
5
6
4
15
21
4
22
5
6
4
1
16
4
20
17
5
19
4
9
6
18
15
4
12
15
15
11
10
15
8
7
FIT
1:1
100%

Артикул

Название

Примечание

Количество

1

421-S62-4510

HOSE, 2755 MM

SN: A45001--UP

1шт.

N/I

AN51439-D0051

O-RING

SN: A45001--UP

2шт.

2

01010-80830

BOLT

SN: A45001--UP

1шт.

3

01643-30823

WASHER

SN: A45001--UP

1шт.

4

04434-53212

CLIP

SN: A45001--UP

7шт.

5

01010-81020

BOLT

SN: A45001--UP

5шт.

6

01643-31032

WASHER

SN: A45001--UP

5шт.

7

01010-81025

BOLT

SN: A45001--UP

1шт.

8

01643-31032

WASHER

SN: A45001--UP

1шт.

9

421-S62-4530

BRACKET

SN: A45001--UP

1шт.

10

01010-81025

BOLT

SN: A45001--UP

2шт.

11

01643-31032

WASHER

SN: A45001--UP

2шт.

12

421-S62-4520

HOSE, 3590 MM

SN: A45001--UP

1шт.

N/I

AN51439-D0031

O-RING

SN: A45001--UP

2шт.

13

01010-80630

BOLT

SN: A45001--UP

1шт.

14

01643-30623

WASHER

SN: A45001--UP

1шт.

15

04434-51912

CLIP

SN: A45001--UP

9шт.

16

01010-81020

BOLT

SN: A45001--UP

7шт.

17

01643-31032

WASHER

SN: A45001--UP

7шт.

18

01010-81025

BOLT

SN: A45001--UP

1шт.

19

01643-31032

WASHER

SN: A45001--UP

1шт.

20

103-21-21260

BOSS

SN: A45001--UP

1шт.

21

01010-81030

BOLT

SN: A45001--UP

1шт.

22

01643-31032

WASHER

SN: A45001--UP

1шт.

Выбрано товаров: 0