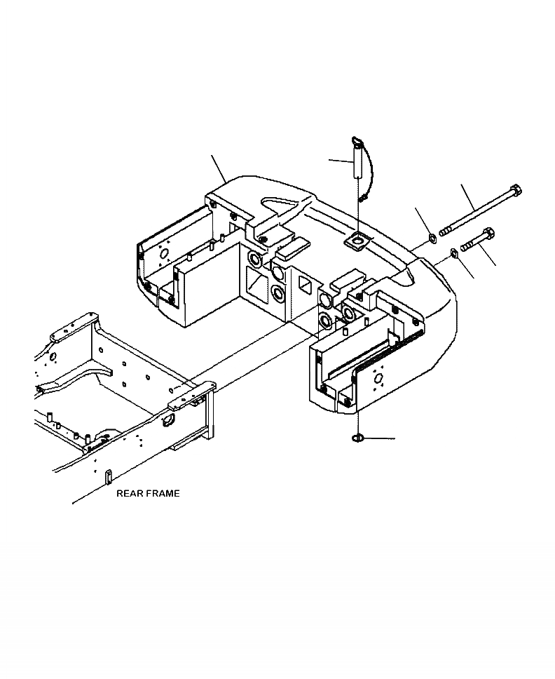
Запчасти Komatsu WA470-6 M-A ПРОТИВОВЕС ДЛЯ LOG ИЛИ LUMBER ЗАХВАТ ЧАСТИ КОРПУСА

Схема запчастей Komatsu WA470-6 - M-A ПРОТИВОВЕС ДЛЯ LOG ИЛИ LUMBER ЗАХВАТ ЧАСТИ КОРПУСА
1
5
4
2
3
2
6
FIT
1:1
100%

Артикул

Название

Примечание

Количество

1

421-46-45280

COUNTERWEIGHT

SN: A45001--UP

1шт.

2

01643-33080

WASHER

SN: A45001--UP

6шт.

3

207-46-53140

BOLT

SN: A45001--UP

4шт.

4

421-46-45140

BOLT

SN: A45001--UP

2шт.

5

423-46-45121

PIN

SN: A45001--UP

1шт.

N/I

09245-04875

CHAIN

SN: A45001--UP

1шт.

N/I

09245-50060

HOOK

SN: A45001--UP

3шт.

6

426-46-12280

PIN

SN: A45001--UP

1шт.

Выбрано товаров: 8