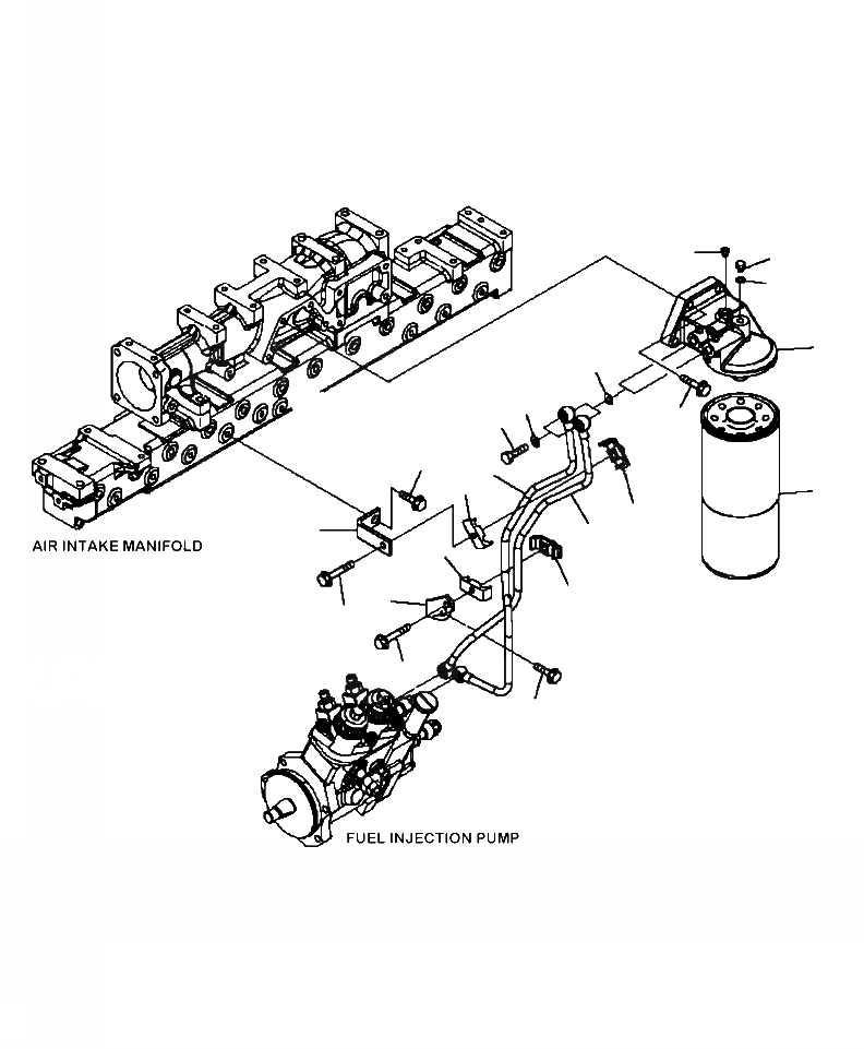
Запчасти Komatsu WA470-6 A-AR ТОПЛИВН. ФИЛЬТР. И ТРУБЫ РЕЗЬБА -/8 ДВИГАТЕЛЬ

Схема запчастей Komatsu WA470-6 - A-AR ТОПЛИВН. ФИЛЬТР. И ТРУБЫ РЕЗЬБА -/8 ДВИГАТЕЛЬ
4
2
3
1
10
10
9
6
12
7
15
5
16
11
8
15
16
13
17
17
14
FIT
1:1
100%

Артикул

Название

Примечание

Количество

|$0

6217-71-7300

HEAD ASSEMBLY, FUEL FILTER

1шт.

1

6217-71-7310

HEAD, 1 5/8

1шт.

2

6110-73-6231

PLUG

1шт.

3

07005-00812

O-RING

1шт.

4

07043-70108

PLUG

1шт.

5

600-319-3550

CARTRIDGE, FUEL FILTER (THREAD 1-5/8)

1шт.

6

01435-01035

BOLT

4шт.

7

6251-71-5520

TUBE, INLET

1шт.

8

6251-71-5540

TUBE, RETURN

1шт.

9

07206-31014

BOLT, JOINT

2шт.

10

07005-01412

O-RING

4шт.

11

6251-71-6230

BRACKET

1шт.

12

01435-01020

BOLT

1шт.

13

6251-71-6210

BRACKET

1шт.

14

01435-01020

BOLT

1шт.

15

6166-75-6820

CLAMP

2шт.

16

6261-51-9480

CLAMP

2шт.

17

01435-00840

BOLT

2шт.

Выбрано товаров: 18