Качественные детали и логистика
Оригинальные и аналоговые запчасти с доставкой по России, Казахстану и Беларуси
©2022 PartSell ООО "Система" ИНН 2463123282 ОГРН 1212400004838
Центральный офис: г. Красноярск, Академика Киренского, д.87, пом.4
Телефон: 8 (800) 777-65-74 Email: zakaz@partsell.ru
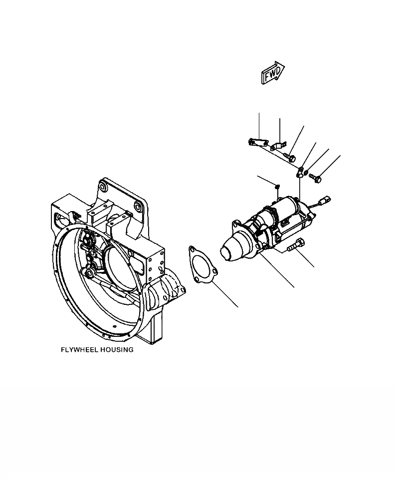
A-AH СТАРТЕР (7. KW) КРЕПЛЕНИЕ
№
Артикул
Название
Примечание
Количество
1
MOTOR, STARTING ( SEE FIG. A6210-B3H4 )
-1шт.
2
6221-81-6810
GASKET
1шт.
3
01010-81640
BOLT, MOUNTING
3шт.
4
421-62-11940
PLATE
5
08193-20010
CLIP
6
01435-01016
BOLT
7
600-051-2050
8
01435-01020
9
01643-31032
WASHER
10
6218-81-8470
BAND
Выбрано товаров: 0