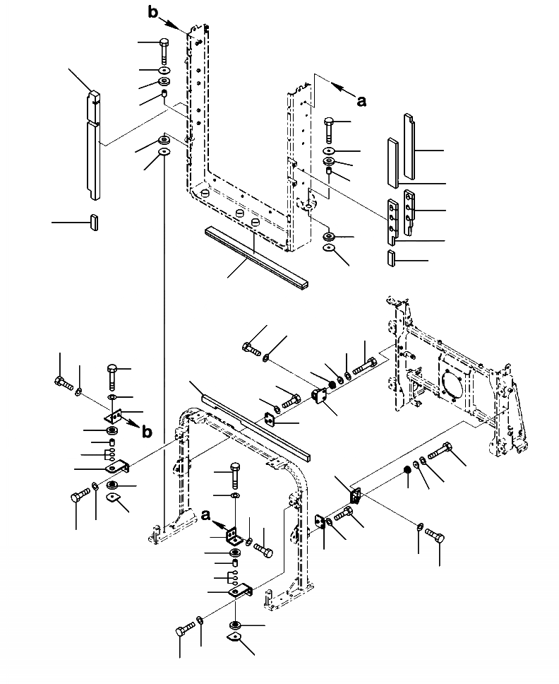
Запчасти Komatsu WA470-6 C-A РАДИАТОР ВЕРХН. СУППОРТ И ЩИТКИS СИСТЕМА ОХЛАЖДЕНИЯ

Схема запчастей Komatsu WA470-6 - C-A РАДИАТОР ВЕРХН. СУППОРТ И ЩИТКИS СИСТЕМА ОХЛАЖДЕНИЯ
13
25
14
15
16
13
14
26
15
15
14
27
16
30
31
15
29
31
14
28
23
24
20
8
21
19
9
6
18
32
23
24
5
1
17
22
2
3
7
10
17
6
20
2
21
5
18
19
9
4
8
12
23
11
1
24
2
22
24
3
23
7
10
2
12
4
11
FIT
1:1
100%

Артикул

Название

Примечание

Количество

1

207-03-51230

BRACKET

SN: A45001--UP

2шт.

2

207-03-51380

CUSHION

SN: A45001--UP

4шт.

3

205-03-71330

COLLAR

SN: A45001--UP

2шт.

4

207-03-51240

BRACKET

SN: A45001--UP

2шт.

5

01643-31232

WASHER

SN: A45001--UP

2шт.

6

01010-81270

BOLT

SN: A45001--UP

2шт.

7

07000-13022

O-RING

SN: A45001--UP

6шт.

8

01010-81230

BOLT

SN: A45001--UP

4шт.

9

01643-31232

WASHER

SN: A45001--UP

4шт.

10

421-03-41230

PLATE

SN: A45001--UP

2шт.

11

01010-81230

BOLT

SN: A45001--UP

4шт.

12

01643-31232

WASHER

SN: A45001--UP

4шт.

13

01010-81460

BOLT

SN: A45001--UP

2шт.

14

421-03-31271

WASHER

SN: A45001--UP

4шт.

15

421-03-31260

CUSHION

SN: A45001--UP

4шт.

16

421-03-31281

SPACER

SN: A45001--UP

2шт.

17

421-54-42260

BRACKET

SN: A45001--UP

2шт.

18

195-03-41380

CUSHION

SN: A45001--UP

2шт.

19

178-60-12250

COLLAR

SN: A45001--UP

2шт.

20

01010-81050

BOLT

SN: A45001--UP

2шт.

21

01643-31032

WASHER

SN: A45001--UP

2шт.

22

421-54-42270

PLATE

SN: A45001--UP

2шт.

23

01010-81025

BOLT

SN: A45001--UP

8шт.

24

01643-31032

WASHER

SN: A45001--UP

8шт.

25

421-54-42530

SEAL(B0NDED)

SN: A45001--UP

1шт.

26

421-54-45510

SHEET (B0NDED)

SN: A45001--UP

1шт.

27

421-54-45520

SHEET (B0NDED)

SN: A45001--UP

1шт.

28

421-54-42570

SHEET (B0NDED)

SN: A45001--UP

1шт.

29

421-54-42620

SHEET (B0NDED)

SN: A45001--UP

1шт.

30

421-54-42630

SHEET (B0NDED)

SN: A45001--UP

1шт.

31

421-54-42640

SHEET (B0NDED)

SN: A45001--UP

2шт.

32

421-54-43590

SHEET (B0NDED)

SN: A45001--UP

1шт.

Выбрано товаров: 32