Запчасти Komatsu WA470-6 C-A КОНДИЦ. ВОЗДУХА КОНДЕНСАТОР СИСТЕМА ОХЛАЖДЕНИЯ

Схема запчастей Komatsu WA470-6 - C-A КОНДИЦ. ВОЗДУХА КОНДЕНСАТОР СИСТЕМА ОХЛАЖДЕНИЯ
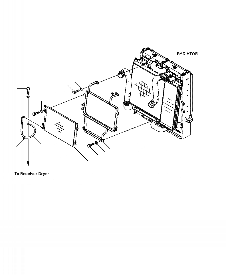
3
2
8
9
6
5
7
10
4
3
2
1
FIT
1:1
100%

Артикул

Название

Примечание

Количество

1

421-S62-4120

CONDENSER ASSEMBLY

SN: A45001--UP

1шт.

N/I

AN51439-D0031

O-RING

SN: A45001--UP

2шт.

2

01010-80816

BOLT

SN: A45001--UP

4шт.

3

01643-30823

WASHER

SN: A45001--UP

4шт.

4

421-S62-4110

BRACKET

SN: A45001--UP

1шт.

5

01010-81025

BOLT

SN: A45001--UP

4шт.

6

01643-31032

WASHER

SN: A45001--UP

4шт.

7

421-S62-4160

HOSE

SN: A45001--UP

1шт.

8

01010-80630

BOLT

SN: A45001--UP

1шт.

9

01643-30623

WASHER

SN: A45001--UP

1шт.

10

04434-51910

CLIP

SN: A45001--UP

1шт.

Выбрано товаров: 11