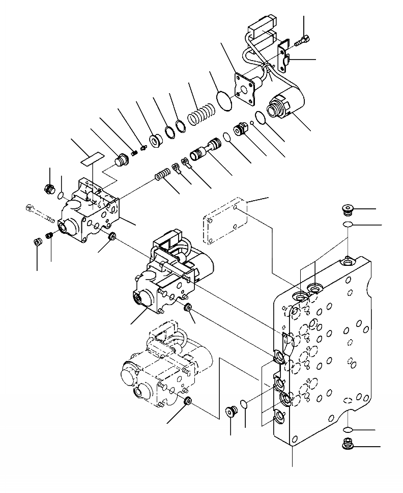
Запчасти Komatsu WA470-6 F-A ТРАНСМИССИЯ ПРАВ. ОСНОВН. КЛАПАН (/) СИЛОВАЯ ПЕРЕДАЧА И КОНЕЧНАЯ ПЕРЕДАЧА

Схема запчастей Komatsu WA470-6 - F-A ТРАНСМИССИЯ ПРАВ. ОСНОВН. КЛАПАН (/) СИЛОВАЯ ПЕРЕДАЧА И КОНЕЧНАЯ ПЕРЕДАЧА
24
16
25
26
17
31
18
19
20
21
22
23
30
6
10
7
8
28
9
29
11
13
14
32
12
2
3
5
4
15
27
4
5
4
3
3
2
2
1
FIT
1:1
100%

Артикул

Название

Примечание

Количество

|$0

TRANSMISSION (SEE FIG. F4350-52A0)

SN: A46001--UP

-1шт.

|$1

714-07-45200

VALVE ASSEMBLY

SN: A46001--UP

1шт.

1

714-07-45121

VALVE SEAT

SN: A46001--UP

1шт.

2

708-7R-11220

PLUG

SN: A46001--UP

8шт.

3

07002-61223

O-RING

SN: A46001--UP

8шт.

4

714-07-35180

ORIFICE

SN: A46001--UP

3шт.

|$6

714-07-45500

ECMV GROUP

SN: A46001--UP

2шт.

5

NSS

BODY

SN: A46001--UP

1шт.

6

NSS

SOLENOID

SN: A46001--UP

1шт.

7

NSS

VALVE

SN: A46001--UP

1шт.

8

NSS

BALL

SN: A46001--UP

1шт.

9

NSS

O-RING

SN: A46001--UP

1шт.

10

NSS

O-RING

SN: A46001--UP

1шт.

11

NSS

SPOOL

SN: A46001--UP

1шт.

12

NSS

SPRING

SN: A46001--UP

1шт.

13

NSS

SHIM, 0.5 MM

SN: A46001--UP

3шт.

14

NSS

SHIM, 0.2 MM

SN: A46001--UP

3шт.

15

NSS

PLUG

SN: A46001--UP

1шт.

16

NSS

SWITCH ASSEMBLY

SN: A46001--UP

1шт.

17

NSS

SPRING

SN: A46001--UP

1шт.

18

NSS

SHIM, 0.5 MM

SN: A46001--UP

2шт.

19

NSS

SHIM, 0.2 MM

SN: A46001--UP

1шт.

20

NSS

SPRING SEAT

SN: A46001--UP

1шт.

21

NSS

PIN

SN: A46001--UP

1шт.

22

NSS

SPRING

SN: A46001--UP

1шт.

23

NSS

SLEEVE

SN: A46001--UP

1шт.

24

01252-60510

BOLT

SN: A46001--UP

4шт.

25

714-23-15690

BRACKET

SN: A46001--UP

1шт.

26

NSS

O-RING

SN: A46001--UP

1шт.

27

NSS

PLUG

SN: A46001--UP

1шт.

28

708-8E-16150

PLUG

SN: A46001--UP

1шт.

29

07002-61023

O-RING

SN: A46001--UP

1шт.

30

700-11-31940

PLATE, (LIMITED SUPPLY)

SN: A46001--UP

1шт.

31

08034-00310

STRAP, TIE

SN: A46001--UP

1шт.

32

COVER (SEE FIG. F4350-63A0 )

SN: A46001--UP

-1шт.

|$35

35

-1шт.

|$36

F1 - THIS PART IS SUPPLIED AS PART OF THE ASSEMBLY. HOWEVER, IT IS AVAILABLE AS AN INDIVIDUAL PART TO AUTHORIZED DISTRIBUTORS ONLY.

36

-1шт.

Выбрано товаров: 0