Запчасти Komatsu WA470-6 F-B ПЕРЕДНИЙ МОСТ СТАНДАРТН. ДИФФЕРЕНЦ. (/) СИЛОВАЯ ПЕРЕДАЧА И КОНЕЧНАЯ ПЕРЕДАЧА

Схема запчастей Komatsu WA470-6 - F-B ПЕРЕДНИЙ МОСТ СТАНДАРТН. ДИФФЕРЕНЦ. (/) СИЛОВАЯ ПЕРЕДАЧА И КОНЕЧНАЯ ПЕРЕДАЧА
12
13
1
11
10
6
7
5
14
9
11
8
7
9
9
2
7
9
14
11
7
6
10
11
5
17
18
4
16
3
15
FIT
1:1
100%

Артикул

Название

Примечание

Количество

|$0

AXLE ASSEMBLY (SEE FIG. F4400-51B0)

SN: A46001--UP

-1шт.

|$1

DIFFERENTIAL (SEE FIG. F4400-53B0)

SN: A46001--UP

-1шт.

|$2

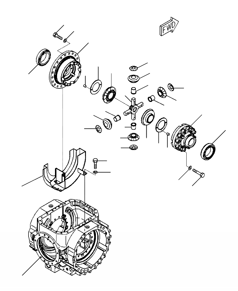
421-22-31600

CASE ASSEMBLY

SN: A46001--UP

1шт.

1

421-22-31610

CASE, FLANGE

SN: A46001--UP

1шт.

2

421-22-31620

CASE

SN: A46001--UP

1шт.

3

01011-61425

BOLT

SN: A46001--UP

14шт.

4

01643-31445

WASHER

SN: A46001--UP

14шт.

5

175-21-12180

PIN, DOWEL

SN: A46001--UP

4шт.

6

421-22-31530

GEAR, SIDE

SN: A46001--UP

2шт.

7

421-22-31540

GEAR, PINION

SN: A46001--UP

4шт.

8

421-22-31410

SHAFT

SN: A46001--UP

1шт.

9

56B-22-17170

BUSHING

SN: A46001--UP

4шт.

10

56B-22-11460

WASHER

SN: A46001--UP

2шт.

11

56B-22-11580

WASHER

SN: A46001--UP

4шт.

12

01010-61645

BOLT

SN: A46001--UP

20шт.

13

01643-31645

WASHER

SN: A46001--UP

20шт.

14

421-22-41860

BEARING, TAPERED

SN: A46001--UP

2шт.

15

421-22-33811

HOUSING, GEAR

SN: A46001--UP

1шт.

16

421-22-31832

COVER

SN: A46001--UP

1шт.

17

01010-61225

BOLT

SN: A46001--UP

4шт.

18

01643-31232

WASHER

SN: A46001--UP

4шт.

Выбрано товаров: 0