Качественные детали и логистика
Оригинальные и аналоговые запчасти с доставкой по России, Казахстану и Беларуси
©2022 PartSell ООО "Система" ИНН 2463123282 ОГРН 1212400004838
Центральный офис: г. Красноярск, Академика Киренского, д.87, пом.4
Телефон: 8 (800) 777-65-74 Email: zakaz@partsell.ru
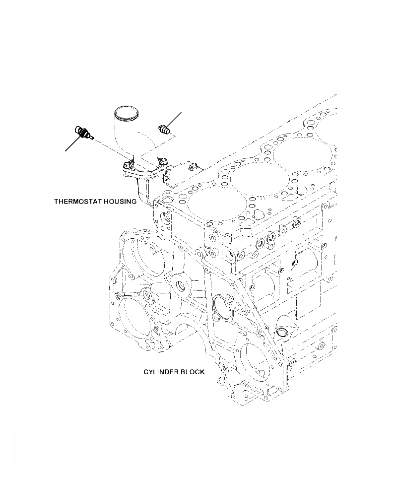
A79-AH7 ДАТЧИК ТЕМПЕРАТУРЫ ВОДЫ
№
Артикул
Название
Примечание
Количество
1
07042-A0415
PLUG
1шт.
2
6261-81-6901
SENSOR ASSEMBLY
|$2
6261-81-6910
SENSOR, WATER TEMPERATURE
|$3
6261-84-9740
SEAL
Выбрано товаров: 0