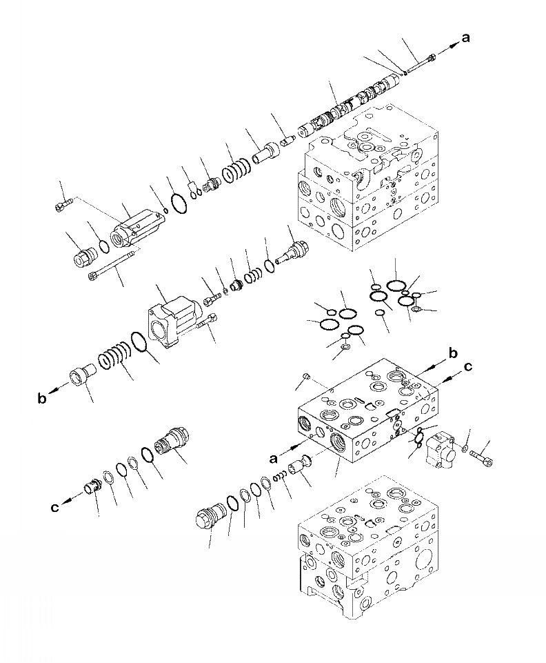
Запчасти Komatsu WA470-6 H-A УПРАВЛЯЮЩ. КЛАПАН 3-Х СЕКЦИОНН. КЛАПАН (/) ГИДРАВЛИКА

Схема запчастей Komatsu WA470-6 - H-A УПРАВЛЯЮЩ. КЛАПАН 3-Х СЕКЦИОНН. КЛАПАН (/) ГИДРАВЛИКА
3
5
6
2
4
7
11
10
8
22
25
26
21
16
15
9
16
18
17
34
20
35
30
19
12
33
31
23
35
32
33
34
36
35
24
31
36
32
22
14
29
13
49
27
48
28
27
43
1
46
38
45
44
39
45
40
47
41
40
42
37
FIT
1:1
100%

Артикул

Название

Примечание

Количество

|$0

VALVE ASSEMBLY (SEE FIG. H0120-09A0)

SN: A46001--UP

-1шт.

|$1

NSS

BODY SUBASSEMBLY

SN: A46001--UP

1шт.

1

NSS

BLOCK

SN: A46001--UP

1шт.

2

NSS

SPOOL

SN: A46001--UP

1шт.

3

723-46-15130

PLUG

SN: A46001--UP

1шт.

4

723-46-16940

PLUG

SN: A46001--UP

1шт.

5

07002-10823

O-RING

SN: A46001--UP

1шт.

6

NSS

BALL

SN: A46001--UP

1шт.

7

723-46-16950

RETAINER

SN: A46001--UP

1шт.

8

723-46-16920

SEAL

SN: A46001--UP

1шт.

9

723-46-16910

PLUG

SN: A46001--UP

1шт.

10

723-46-16930

PISTON

SN: A46001--UP

1шт.

11

723-46-14410

SPRING

SN: A46001--UP

1шт.

12

723-46-16860

CASE

SN: A46001--UP

1шт.

13

723-46-16690

RETAINER

SN: A46001--UP

1шт.

14

723-46-14430

SPRING

SN: A46001--UP

1шт.

15

723-46-16890

PLUG

SN: A46001--UP

1шт.

16

07000-13024

O-RING

SN: A46001--UP

2шт.

17

723-46-16710

RETAINER

SN: A46001--UP

1шт.

18

723-46-14370

SPRING

SN: A46001--UP

1шт.

19

01252-60616

BOLT

SN: A46001--UP

1шт.

20

01643-30623

WASHER

SN: A46001--UP

1шт.

21

NSS

CASE

SN: A46001--UP

1шт.

22

07430-71380

O-RING

SN: A46001--UP

2шт.

23

723-46-17350

BOLT

SN: A46001--UP

1шт.

24

01252-60840

BOLT

SN: A46001--UP

2шт.

25

01252-60820

BOLT

SN: A46001--UP

1шт.

26

07000-11008

O-RING

SN: A46001--UP

1шт.

27

07000-11009

O-RING

SN: A46001--UP

2шт.

28

07000-12021

O-RING

SN: A46001--UP

1шт.

29

NSS

PLUG

SN: A46001--UP

1шт.

30

723-46-17530

O-RING

SN: A46001--UP

1шт.

31

723-11-19130

O-RING

SN: A46001--UP

2шт.

32

723-46-17520

RING

SN: A46001--UP

2шт.

33

723-46-16520

O-RING

SN: A46001--UP

2шт.

34

723-46-17510

O-RING

SN: A46001--UP

2шт.

35

722-12-19070

O-RING

SN: A46001--UP

3шт.

36

723-26-15830

O-RING

SN: A46001--UP

2шт.

37

723-46-43971

SLEEVE

SN: A46001--UP

1шт.

38

723-46-43980

VALVE

SN: A46001--UP

1шт.

39

723-46-44920

SPRING

SN: A46001--UP

1шт.

40

723-46-41950

RING

SN: A46001--UP

2шт.

41

700-93-11320

O-RING

SN: A46001--UP

1шт.

42

07002-13634

O-RING

SN: A46001--UP

1шт.

43

723-46-40100

VALVE ASSEMBLY

SN: A46001--UP

1шт.

44

700-93-11320

O-RING

SN: A46001--UP

1шт.

45

723-46-41950

RING

SN: A46001--UP

2шт.

46

07002-13634

O-RING

SN: A46001--UP

1шт.

47

723-46-41210

VALVE

SN: A46001--UP

1шт.

48

01252-60845

BOLT

SN: A46001--UP

4шт.

49

01643-50823

WASHER

SN: A46001--UP

4шт.

Выбрано товаров: 51