Качественные детали и логистика
Оригинальные и аналоговые запчасти с доставкой по России, Казахстану и Беларуси
©2022 PartSell ООО "Система" ИНН 2463123282 ОГРН 1212400004838
Центральный офис: г. Красноярск, Академика Киренского, д.87, пом.4
Телефон: 8 (800) 777-65-74 Email: zakaz@partsell.ru
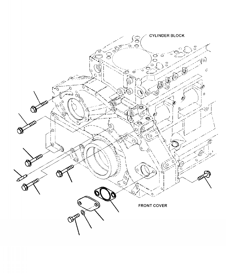
A-AH9K ПЕРЕДН. ПРИВОД КРЫШКАКРЕПЛЕНИЕ БОЛТ И POINTER
№
Артикул
Название
Примечание
Количество
1
01435-01070
BOLT
3шт.
2
01435-01080
7шт.
3
01437-01075
1шт.
4
6251-21-3211
PLATE
5
6251-21-3231
GASKET
6
01050-51225
2шт.
7
6251-21-3250
8
6150-81-9130
4шт.
9
6150-22-3360
POINTER
Выбрано товаров: 0