Запчасти Komatsu WA470-6 H-A ГИДРОЛИНИЯ РУЛЕВ. УПРАВЛЕНИЕ ЛИНИЯ ГИДРАВЛИКА

Схема запчастей Komatsu WA470-6 - H-A ГИДРОЛИНИЯ РУЛЕВ. УПРАВЛЕНИЕ ЛИНИЯ ГИДРАВЛИКА
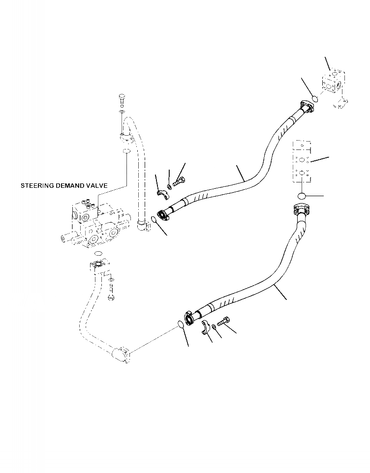
1
2
3
2
4
5
7
6
7
8
9
10
11
12
FIT
1:1
100%

Артикул

Название

Примечание

Количество

1

421-62-43330

HOSE

SN: A46001--UP

1шт.

2

07000-13032

O-RING

SN: A46001--UP

2шт.

3

07371-31049

FLANGE, SPLIT

SN: A46001--UP

4шт.

4

07372-21035

BOLT

SN: A46001--UP

8шт.

5

01643-51032

WASHER

SN: A46001--UP

8шт.

6

421-62-43340

HOSE

SN: A46001--UP

1шт.

7

07000-13038

O-RING

SN: A46001--UP

2шт.

8

07371-31255

FLANGE, SPLIT

SN: A46001--UP

4шт.

9

07372-21035

BOLT

SN: A46001--UP

8шт.

10

01643-51032

WASHER

SN: A46001--UP

8шт.

11

BLOCK (SEE FIG. H0210-20A0)

SN: A46001--UP

-1шт.

12

BLOCK (SEE FIG. H4200-09A0)

SN: A46001--UP

-1шт.

Выбрано товаров: 12