Запчасти Komatsu WA470-6 H-A ГИДРОЛИНИЯ РУЛЕВ. УПРАВЛЕНИЕ ВОЗВРАТН. ЛИНИЯ ГИДРАВЛИКА

Схема запчастей Komatsu WA470-6 - H-A ГИДРОЛИНИЯ РУЛЕВ. УПРАВЛЕНИЕ ВОЗВРАТН. ЛИНИЯ ГИДРАВЛИКА
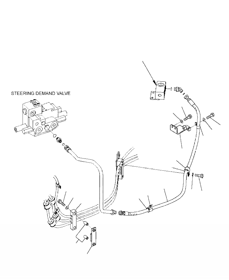
19
14
15
17
18
16
13
2
3
1
11
4
7
6
12
5
9
10
8
FIT
1:1
100%

Артикул

Название

Примечание

Количество

1

421-62-42191

HOSE

SN: A46001--UP

1шт.

2

04434-52712

CLIP

SN: A46001--UP

1шт.

3

07095-20420

CUSHION

SN: A46001--UP

1шт.

4

04434-52712

CLIP

SN: A46001--UP

1шт.

5

07095-20420

CUSHION

SN: A46001--UP

1шт.

6

01010-81025

BOLT

SN: A46001--UP

2шт.

7

01643-31032

WASHER

SN: A46001--UP

2шт.

8

423-62-43221

PLATE

SN: A46001--UP

1шт.

9

423-62-34981

RUBBER

SN: A46001--UP

1шт.

10

418-62-23790

SPACER

SN: A46001--UP

2шт.

11

01010-81055

BOLT

SN: A46001--UP

2шт.

12

01643-31032

WASHER

SN: A46001--UP

2шт.

13

421-62-45180

BRACKET

SN: A46001--UP

1шт.

14

01010-81020

BOLT

SN: A46001--UP

2шт.

15

01643-31032

WASHER

SN: A46001--UP

2шт.

16

04434-52112

CLIP

SN: A46001--UP

1шт.

17

01010-81020

BOLT

SN: A46001--UP

1шт.

18

01643-31032

WASHER

SN: A46001--UP

1шт.

19

BLOCK (SEE FIG. K4460-08A0)

SN: A46001--UP

-1шт.

Выбрано товаров: 19