Качественные детали и логистика
Оригинальные и аналоговые запчасти с доставкой по России, Казахстану и Беларуси
©2022 PartSell ООО "Система" ИНН 2463123282 ОГРН 1212400004838
Центральный офис: г. Красноярск, Академика Киренского, д.87, пом.4
Телефон: 8 (800) 777-65-74 Email: zakaz@partsell.ru
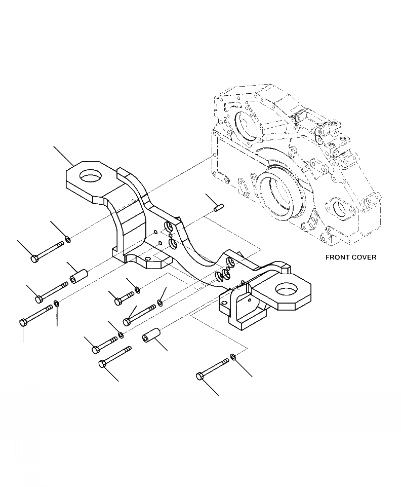
A-AHK ДВИГАТЕЛЬ ПЕРЕДН. СУППОРТ
№
Артикул
Название
Примечание
Количество
1
421-01-41121
BRACKET, FRONT SUPPORT
1шт.
2
04020-01228
PIN, DOWEL
2шт.
3
6152-51-5520
SPACER
4
01010-81055
BOLT
5
01643-31032
WASHER
6
01011-81000
7
01011-81005
8
01011-81010
5шт.
9
7шт.
Выбрано товаров: 0