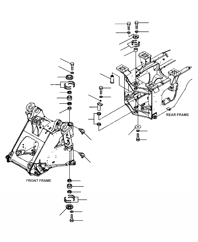
Запчасти Komatsu WA470-6 J-A РАМА HINGE ПАЛЕЦS ОСНОВНАЯ РАМА И ЕЕ ЧАСТИ

Схема запчастей Komatsu WA470-6 - J-A РАМА HINGE ПАЛЕЦS ОСНОВНАЯ РАМА И ЕЕ ЧАСТИ
21
19
22
20
17
18
4
16
5
15
1
3
28
2
30
29
13
2
26
6
27
23
25
24
12
12
8
14
8
9
11
7
10
FIT
1:1
100%

Артикул

Название

Примечание

Количество

1

421-46-11710

RETAINER

SN: A46001--UP

1шт.

2

421-09-11310

SEAL, DUST

SN: A46001--UP

2шт.

3

421-46-11372

SHIM, 0.1 MM

SN: A46001--UP

20шт.

|$3

421-46-11382

SHIM, 0.5 MM

SN: A46001--UP

20шт.

4

01010-81240

BOLT

SN: A46001--UP

10шт.

5

01643-31232

WASHER

SN: A46001--UP

10шт.

6

421-46-11741

SPACER

SN: A46001--UP

1шт.

7

421-46-11470

RETAINER

SN: A46001--UP

1шт.

8

07011-00080

SEAL

SN: A46001--UP

2шт.

9

421-46-11372

SHIM, 0.1 MM

SN: A46001--UP

20шт.

|$10

421-46-11382

SHIM, 0.5 MM

SN: A46001--UP

20шт.

10

01010-81235

BOLT

SN: A46001--UP

10шт.

11

01643-31232

WASHER

SN: A46001--UP

10шт.

12

419-09-11250

FITTING, GREASE

SN: A46001--UP

2шт.

13

421-46-11361

BEARING

SN: A46001--UP

1шт.

14

421-46-11361

BEARING

SN: A46001--UP

1шт.

15

421-46-41720

PIN

SN: A46001--UP

1шт.

16

421-46-11730

SPACER

SN: A46001--UP

1шт.

17

421-46-11421

COVER

SN: A46001--UP

1шт.

18

421-46-11431

SHIM, 0.2 MM

SN: A46001--UP

10шт.

|$20

421-46-11441

SHIM, 0.5 MM

SN: A46001--UP

8шт.

|$21

421-46-11451

SHIM, 1.0 MM

SN: A46001--UP

4шт.

19

01010-81250

BOLT

SN: A46001--UP

6шт.

20

01643-31232

WASHER

SN: A46001--UP

6шт.

21

421-46-43110

BOLT

SN: A46001--UP

4шт.

22

01643-31645

WASHER

SN: A46001--UP

4шт.

23

01643-31645

WASHER

SN: A46001--UP

1шт.

24

01010-61630

BOLT

SN: A46001--UP

1шт.

25

419-70-11340

PLATE

SN: A46001--UP

1шт.

26

421-46-41461

PIN

SN: A46001--UP

1шт.

27

423-46-42330

BUSHING

SN: A46001--UP

2шт.

28

01010-81640

BOLT

SN: A46001--UP

1шт.

29

421-70-11280

WASHER

SN: A46001--UP

1шт.

30

421-46-41480

COLLAR

SN: A46001--UP

1шт.

Выбрано товаров: 34