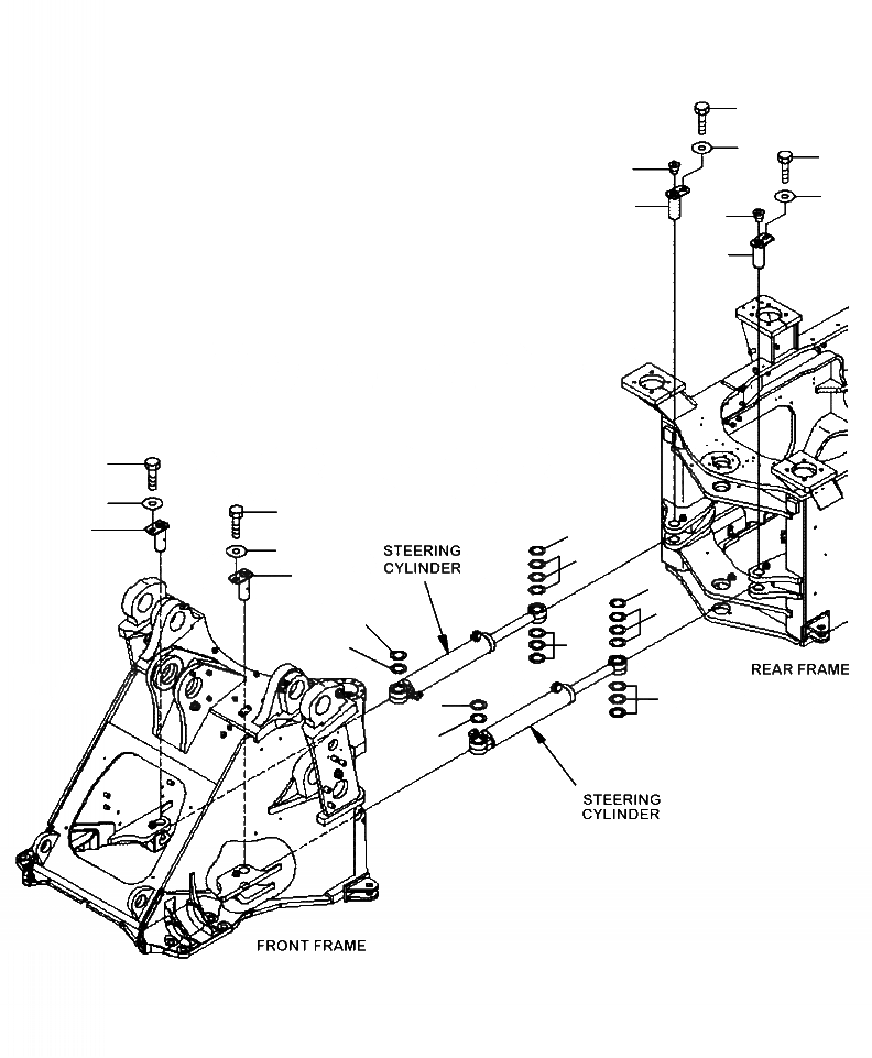
Запчасти Komatsu WA470-6 J-A ЦИЛИНДР РУЛЕВ. УПР-Я ПАЛЕЦS ОСНОВНАЯ РАМА И ЕЕ ЧАСТИ

Схема запчастей Komatsu WA470-6 - J-A ЦИЛИНДР РУЛЕВ. УПР-Я ПАЛЕЦS ОСНОВНАЯ РАМА И ЕЕ ЧАСТИ
4
5
4
3
5
1
3
2
4
5
4
1
7
5
6
2
7
6
7
6
6
6
7
6
FIT
1:1
100%

Артикул

Название

Примечание

Количество

1

421-46-21760

PIN, LOCK

SN: A46001--UP

2шт.

2

421-46-21760

PIN, LOCK

SN: A46001--UP

2шт.

3

07043-A0108

PLUG

SN: A46001--UP

2шт.

4

01010-81220

BOLT

SN: A46001--UP

4шт.

5

175-54-34170

WASHER

SN: A46001--UP

4шт.

6

421-46-11771

SHIM

SN: A46001--UP

14шт.

7

421-46-11781

SHIM

SN: A46001--UP

4шт.

Выбрано товаров: 7