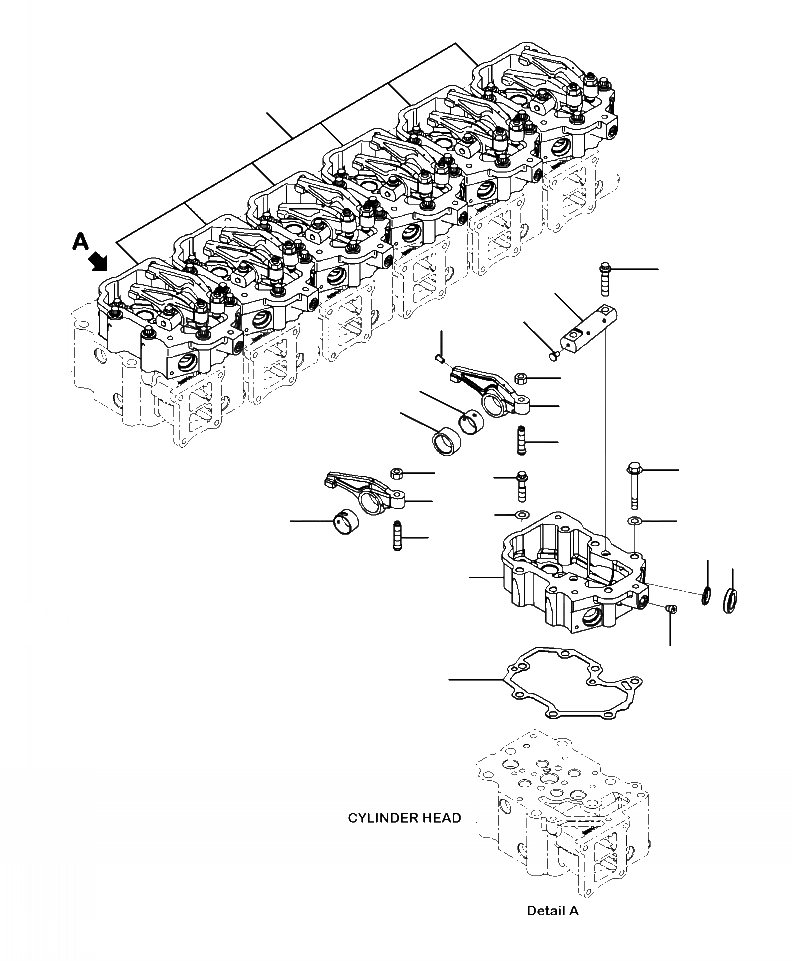
Запчасти Komatsu WA470-6 A-BB8A КОРОМЫСЛО И КОЖУХ ДВИГАТЕЛЬ

Схема запчастей Komatsu WA470-6 - A-BB8A КОРОМЫСЛО И КОЖУХ ДВИГАТЕЛЬ
1
1
21
18
19
14
15
20
10
17
13
16
7
8
12
9
11
6
8
4
3
2
5
FIT
1:1
100%

Артикул

Название

Примечание

Количество

|$0

6251-11-7300

HOUSING ASSEMBLY

6шт.

|$1

6251-11-7100

HOUSING ASSEMBLY

1шт.

1

6251-11-7110

HOUSING, ROCKER ARM

1шт.

2

07043-30108

PLUG

1шт.

3

6251-11-8830

SEAL

1шт.

4

6251-11-8840

RING

1шт.

5

6251-11-7220

GASKET

6шт.

6

01437-01075

BOLT

36шт.

7

6251-71-1170

BOLT

6шт.

8

01643-31032

WASHER

42шт.

|$10

6150-41-5400

ARM ASSEMBLY, INTAKE

6шт.

9

NSS

ARM, ROCKER

1шт.

10

6150-41-5420

BUSHING

1шт.

11

6150-41-5541

SCREW

6шт.

12

01582-01008

NUT

6шт.

|$15

6154-41-5500

ARM ASSEMBLY, EXHAUST

6шт.

13

NSS

ARM, ROCKER

1шт.

14

6162-43-5340

RIVET

1шт.

15

6150-41-5420

BUSHING

1шт.

16

6150-41-5541

SCREW

6шт.

17

01582-01008

NUT

6шт.

|$21

6150-42-5300

ROCKER ARM SHAFT ASSEMBLY.

6шт.

18

NSS

SHAFT

1шт.

19

6710-41-5340

RIVET

1шт.

20

6154-41-5321

COLLAR

6шт.

21

6150-81-9370

BOLT

12шт.

Выбрано товаров: 26