Запчасти Komatsu WA470-6 K7-A ГИДР. ПРОВОД. ОБОГРЕВАТЕЛЯ ПЕРЕДН. РАМА - ЛИНИЯ ДВИГАТЕЛЯ OPERATORXD S ОБСТАНОВКА И СИСТЕМА УПРАВЛЕНИЯ

Схема запчастей Komatsu WA470-6 - K7-A ГИДР. ПРОВОД. ОБОГРЕВАТЕЛЯ ПЕРЕДН. РАМА - ЛИНИЯ ДВИГАТЕЛЯ OPERATORXD S ОБСТАНОВКА И СИСТЕМА УПРАВЛЕНИЯ
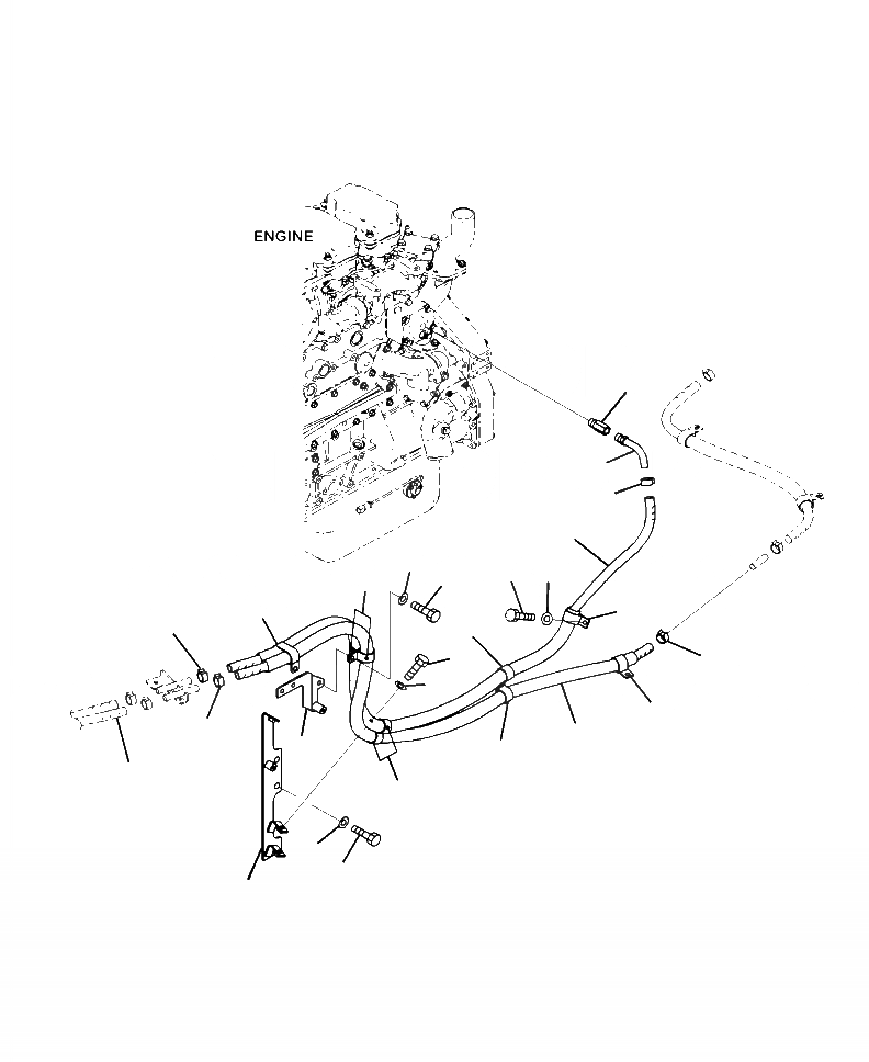
5
4
3
1
15
17
16
14
12
11
10
3
10
14
6
15
10
6
2
13
10
18
10
9
8
7
FIT
1:1
100%

Артикул

Название

Примечание

Количество

1

421-07-41140

HOSE, 2085 MM - TO ENGINE

SN: A46001--UP

1шт.

2

421-07-41150

HOSE, 1950 MM - TO T.C. COOLER

SN: A46001--UP

1шт.

3

09479-02400

CLAMP

SN: A46001--UP

2шт.

4

424-07-11360

ELBOW

SN: A46001--UP

1шт.

5

281-81-12930

JOINT

SN: A46001--UP

1шт.

6

09479-02400

CLAMP

SN: A46001--UP

2шт.

7

421-07-41160

BRACKET

SN: A46001--UP

1шт.

8

01010-81430

BOLT

SN: A46001--UP

2шт.

9

01643-31445

WASHER

SN: A46001--UP

2шт.

10

04434-53412

CLIP

SN: A46001--UP

6шт.

11

176-911-4220

CLIP

SN: A46001--UP

1шт.

12

04434-53412

CLIP

SN: A46001--UP

2шт.

13

421-07-41170

BRACKET

SN: A46001--UP

1шт.

14

01010-81025

BOLT

SN: A46001--UP

6шт.

15

01643-31032

WASHER

SN: A46001--UP

6шт.

16

01010-81020

BOLT

SN: A46001--UP

1шт.

17

01643-31032

WASHER

SN: A46001--UP

1шт.

18

HOSE (SEE FIG. K0713-01A0)

SN: A46001--UP

1шт.

Выбрано товаров: 18