Запчасти Komatsu WA470-6 K7-A ГИДР. ПРОВОД. ОБОГРЕВАТЕЛЯ ЗАДН. РАМА - ГИДРОТРАНСФОРМАТОР ОХЛАДИТЕЛЬ ЛИНИЯ OPERATORXD S ОБСТАНОВКА И СИСТЕМА УПРАВЛЕНИЯ

Схема запчастей Komatsu WA470-6 - K7-A ГИДР. ПРОВОД. ОБОГРЕВАТЕЛЯ ЗАДН. РАМА - ГИДРОТРАНСФОРМАТОР ОХЛАДИТЕЛЬ ЛИНИЯ OPERATORXD S ОБСТАНОВКА И СИСТЕМА УПРАВЛЕНИЯ
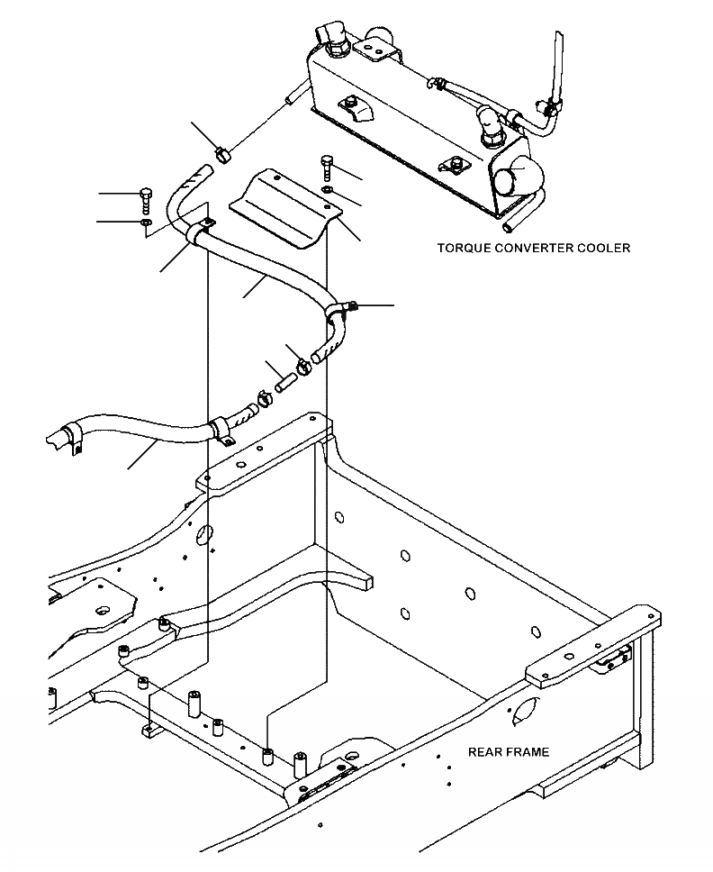
2
8
5
9
6
7
4
4
1
2
3
10
FIT
1:1
100%

Артикул

Название

Примечание

Количество

1

421-07-41130

HOSE, 980 MM

SN: A46001--UP

1шт.

2

09479-02400

CLAMP

SN: A46001--UP

2шт.

3

09484-00560

CONNECTOR

SN: A46001--UP

1шт.

4

04434-53412

CLIP

SN: A46001--UP

2шт.

5

01010-81020

BOLT

SN: A46001--UP

2шт.

6

01643-31032

WASHER

SN: A46001--UP

2шт.

7

421-07-41230

COVER

SN: A46001--UP

1шт.

8

01010-81020

BOLT

SN: A46001--UP

2шт.

9

01643-31032

WASHER

SN: A46001--UP

2шт.

10

HOSE (SEE FIG. K0713-02A0)

SN: A46001--UP

-1шт.

Выбрано товаров: 10