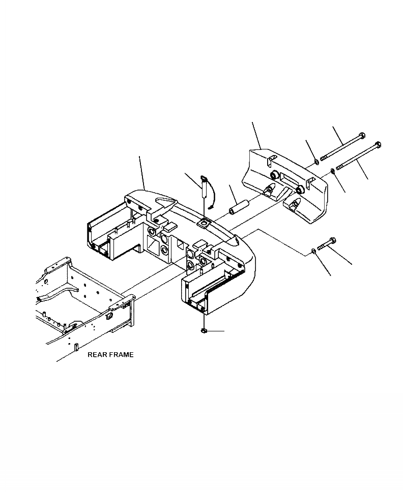
Запчасти Komatsu WA470-6 M-A ПРОТИВОВЕС С ДОПОЛН. ВЕС ЧАСТИ КОРПУСА

Схема запчастей Komatsu WA470-6 - M-A ПРОТИВОВЕС С ДОПОЛН. ВЕС ЧАСТИ КОРПУСА
10
7
5
1
8
6
4
5
3
2
9
FIT
1:1
100%

Артикул

Название

Примечание

Количество

1

421-46-45180

COUNTERWEIGHT

SN: A46001--UP

1шт.

2

01643-33080

WASHER

SN: A46001--UP

2шт.

3

195-09-18112

BOLT

SN: A46001--UP

2шт.

4

421-975-4210

BOLT

SN: A46001--UP

2шт.

5

01643-33080

WASHER

SN: A46001--UP

4шт.

6

421-975-4160

SPACER

SN: A46001--UP

4шт.

7

421-975-4220

BOLT

SN: A46001--UP

2шт.

8

421-46-45290

PIN

SN: A46001--UP

1шт.

N/I

09245-04875

CHAIN

SN: A46001--UP

1шт.

N/I

09245-50060

HOOK

SN: A46001--UP

3шт.

9

426-46-12280

PIN

SN: A46001--UP

1шт.

10

421-975-4151

COUNTERWEIGHT

SN: A46001--UP

1шт.

Выбрано товаров: 12