Запчасти Komatsu WA470-6 A-AK АНТИКОРРОЗ. ЭЛЕМЕНТ БЕЗ RESISTOR ДВИГАТЕЛЬ

Схема запчастей Komatsu WA470-6 - A-AK АНТИКОРРОЗ. ЭЛЕМЕНТ БЕЗ RESISTOR ДВИГАТЕЛЬ
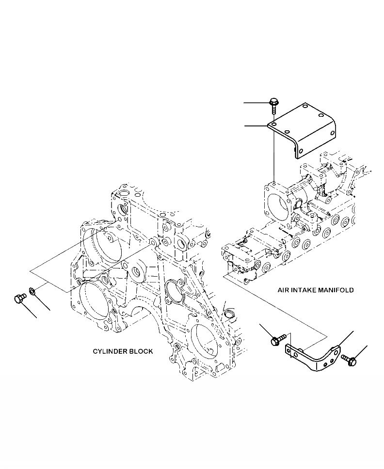
1
2
3
4
5
6
7
FIT
1:1
100%

Артикул

Название

Примечание

Количество

1

6211-61-8280

BRACKET

1шт.

2

01435-01030

BOLT

1шт.

3

01435-01035

BOLT

1шт.

4

6251-61-8170

BRACKET

1шт.

5

01435-01025

BOLT

4шт.

6

6110-53-5910

PLUG

2шт.

7

07005-01412

GASKET

2шт.

Выбрано товаров: 7