Качественные детали и логистика
Оригинальные и аналоговые запчасти с доставкой по России, Казахстану и Беларуси
©2022 PartSell ООО "Система" ИНН 2463123282 ОГРН 1212400004838
Центральный офис: г. Красноярск, Академика Киренского, д.87, пом.4
Телефон: 8 (800) 777-65-74 Email: zakaz@partsell.ru
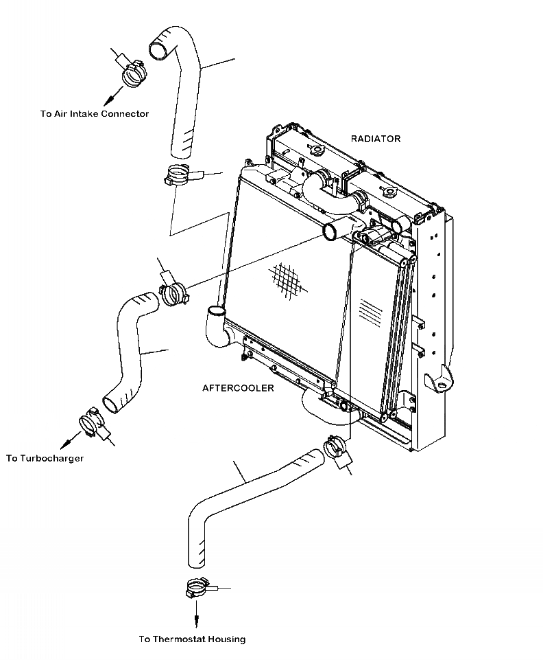
C-A СИСТЕМА ТРУБ РАДИАТОРА
№
Артикул
Название
Примечание
Количество
1
421-03-41171
HOSE
SN: A46001--UP
1шт.
2
421-03-42180
3
07299-00080
CLAMP
8шт.
4
421-03-41191
5
07289-00070
4шт.
Выбрано товаров: 0