Качественные детали и логистика
Оригинальные и аналоговые запчасти с доставкой по России, Казахстану и Беларуси
©2022 PartSell ООО "Система" ИНН 2463123282 ОГРН 1212400004838
Центральный офис: г. Красноярск, Академика Киренского, д.87, пом.4
Телефон: 8 (800) 777-65-74 Email: zakaz@partsell.ru
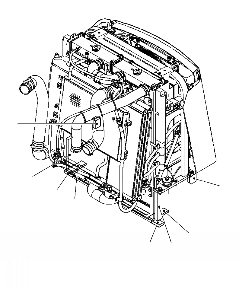
C-7A ЩИТКИ РАДИАТОРА
№
Артикул
Название
Примечание
Количество
1
421-54-42550
SHEET (BONDED)
SN: A46001--UP
2шт.
2
421-54-42740
3
421-54-42750
4
421-54-42761
Выбрано товаров: 0