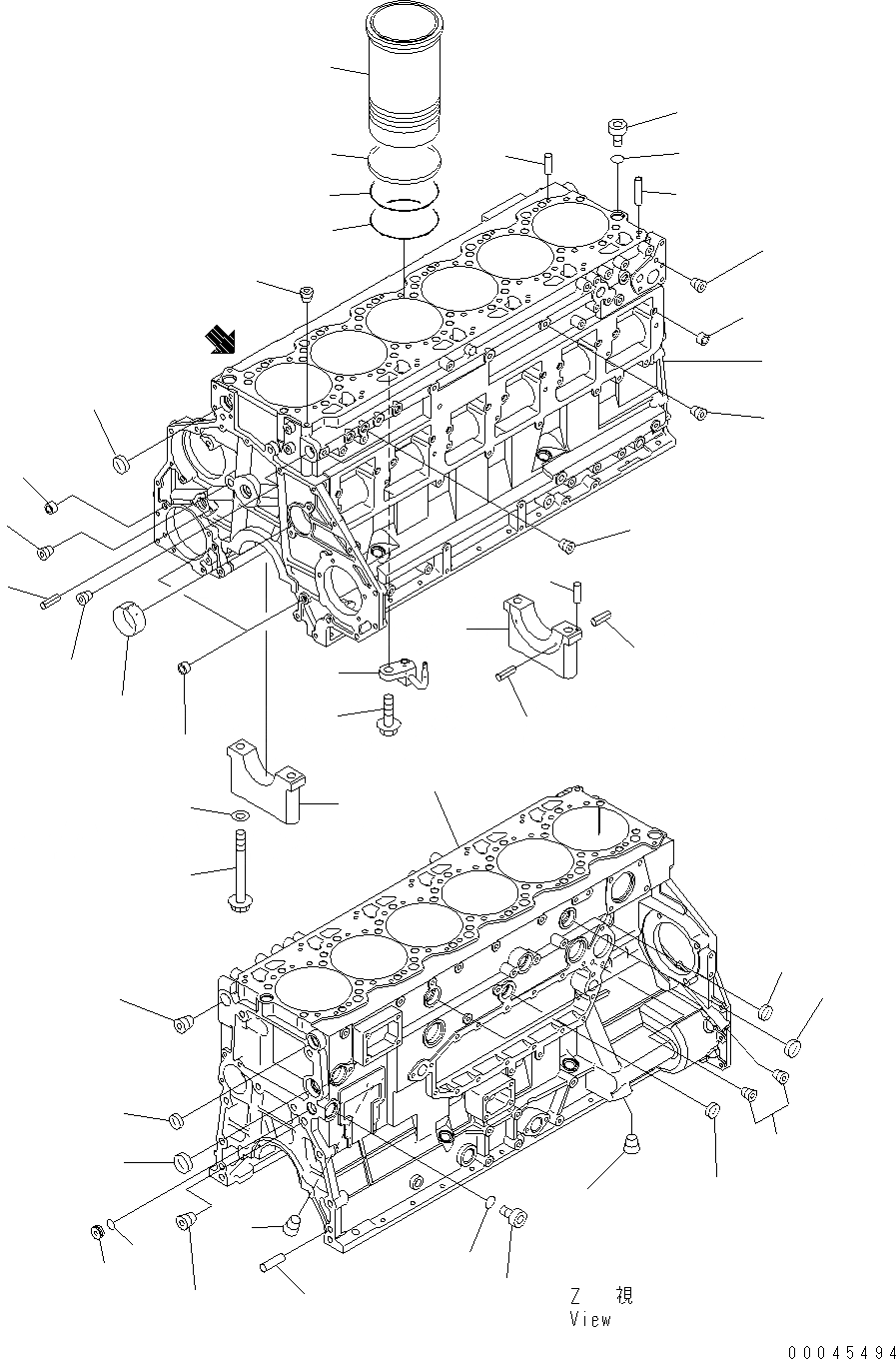
Запчасти Komatsu WA470-6 БЛОК ЦИЛИНДРОВ AA ДВИГАТЕЛЬ

Схема запчастей Komatsu WA470-6 - БЛОК ЦИЛИНДРОВ AA ДВИГАТЕЛЬ
28
31
30
29
8
1
20
11
14
21
8
26
1
8
8
5
4
24
24
32
33
3
7
6
23
2
10
27
9
22
19
10
15
16
17
18
10
10
25
13
12
9
15
8
15
19
Z
Z
FIT
1:1
100%

Артикул

Название

Примечание

Количество

|$1

6251-21-1100

CYLINDER BLOCK ASSEMBLY

SN: 560347-UP

1шт.

1

0

BLOCK, CYLINDER

SN: 560347-UP

1шт.

2

6150-21-1490

BUSHING, CAMSHAFT

SN: 560347-UP

7шт.

3

6150-21-1210

CAP, MAIN METAL, NO.1,2,3,4,5,6

SN: 560347-UP

6шт.

|$5

0

CAP, MAIN METAL, NO.1,2,3,4,5,6

SN: 560347-UP

6шт.

4

6150-21-1250

CAP, MAIN METAL, NO.7

SN: 560347-UP

1шт.

|$7

0

CAP, MAIN METAL, NO.7

SN: 560347-UP

1шт.

5

04020-00514

PIN, DOWEL

SN: 560347-UP

2шт.

6

6150-21-1710

BOLT

SN: 560347-UP

14шт.

7

01643-31645

WASHER

SN: 560347-UP

14шт.

8

07043-70108

PLUG

SN: 560347-UP

8шт.

9

07043-70211

PLUG

SN: 560347-UP

3шт.

10

07043-70617

PLUG

SN: 560347-UP

3шт.

11

07040-12414

PLUG

SN: 560347-UP

1шт.

12

07040-13016

PLUG

SN: 560347-UP

1шт.

13

07002-23034

O-RING

SN: 560347-UP

1шт.

14

07002-22434

O-RING

SN: 560347-UP

1шт.

15

07046-43016

PLUG

SN: 560347-UP

3шт.

16

07046-44016

PLUG

SN: 560347-UP

1шт.

17

6154-21-1981

PLUG

SN: 560347-UP

1шт.

18

07000-72022

PLUG

SN: 560347-UP

1шт.

19

07046-43516

PLUG

SN: 560347-UP

3шт.

20

04020-00820

PIN, DOWEL

SN: 560347-UP

12шт.

21

6150-21-1170

TUBE

SN: 560347-UP

1шт.

22

6150-41-2430

PIN

SN: 560347-UP

1шт.

23

6150-41-2440

PIN

SN: 560347-UP

2шт.

24

04025-00408

PIN, SPRING

SN: 560347-UP

6шт.

25

6150-21-4770

PIN, DOWEL

SN: 560347-UP

2шт.

26

6150-41-2430

PIN

SN: 560347-UP

12шт.

27

04025-00512

PIN, SPRING

SN: 560347-UP

1шт.

28

6154-21-2220

LINER, CYLINDER

SN: 560347-UP

6шт.

29

6150-21-2230

O-RING, LOWER

SN: 560347-UP

6шт.

30

6251-21-2240

O-RING, CENTER

SN: 560347-UP

6шт.

31

6150-21-2250

SEAL, CREVICE

SN: 560347-UP

6шт.

32

6154-21-1810

NOZZLE, PISTON COOLING

SN: 560347-UP

6шт.

33

01435-00816

BOLT

SN: 560347-UP

6шт.

Выбрано товаров: 36